Лобзик электрический своими руками
Станки и инструменты /15-сен,2011,09;02 /
87299

Стремление домашнего мастера механизировать, по возможности, свой труд, заменить ручные инструменты механическими совершенно естественно. Один из таких инструментов — лобзик, незаменимый в работе с фанерой, тонким пластиком и другими материалами. Существует несколько вариантов замены ручного лобзика механическим: это насадка к станку «Умелые руки», ножной привод и т. д. Многие домашние мастера используют выпускаемый промышленностью электрический лобзик, который, однако, не удовлетворяет предъявляемым требованиям: он маломощен, имеет малый ход пилы, недостаточный для работы с толстой фанерой, сама распиловка на нём требует определённых навыков.
К вниманию читателей электрический лобзик сделанный своими руками, без недостатков
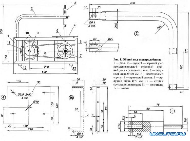
В его конструкции использованы поршневая система холодильного компрессора типа ФР-0,125 и двигатель ДБСМ-1Е-У4 от стиральной машины.
Лобзик работает при оборотах ведомого шкива около 700 в минуту, рабочий ход пилы 12 мм, что в два раза больше, чем у купленного в магазине. Работать на моём лобзике легко, мощность у него достаточна для распиловки толстой древесины, и спил не требует дополнительной обработки.
Для оптимальной частоты колебания пилы я установил на холодильном агрегате шкив диаметром 130 мм, а на двигателе — шкив диаметром 70 мм, соединил их ремённой передачей (шкивы и ремень — от стиральной машины).
Чертежи самодельного лобзика




Доработка холодильного агрегата несложная. Необходимо разрезать оболочку кожуха, в котором заключён компрессор, извлечь его. Отсоединить статор и со стороны ротора, вплотную к нему, насадить на вал большой шкив, посадочное отверстие которого предварительно рассверлено до нужного диаметра. Далее разобрать поршневую систему: открутить три винта крепления и извлечь поршень. В центре его верхней части просверлить отверстие с резьбой под винт нижнего узла крепления пилы.
Зафиксировать нижний узел в поршне в нужном положении и собрать поршневую систему в обратном порядке. При этом клапаны нужно удалить. Самый сложный узел электролобзика готов. Он крепится на раме, сваренной из стальных уголков сечением 20x20 мм. Так как конструктивное исполнение корпусов холодильных агрегатов бывает разным, то следует изменить только положение отверстий крепления агрегата к раме.
Отверстия под болты скоб электродвигателя я сделал продолговатыми для натяжения приводного ремня.
Верхний узел крепления пилы имеет более сложную конструкцию, чем нижний. Усилие пружины, обеспечивающей натяжение пилы, подбирается экспериментально. Пазы в стакане и штифт не позволяют штоку с пилой проворачиваться вокруг своей оси.
Узел крепится в дуге, изготовленной из металлической трубы диаметром 40 мм, в которой он зажимается в необходимом по размеру пилы положении.
В заключение несколько технологических советов. Смазывать электролобзик следует непосредственно перед работой; пилу зажимать в нижнем узле крепления нужно в верхнем положении поршня; зубья пилы лучше развести для более высокого качества спила и, по возможности, заточить.
В. ГОНТАРЬ