Приспособление для гибки труб, арматуры, проволоки
Полезные приспособления /22-мар,2015,15;23 /
57396

Когда необходимо согнуть металлическую трубу или прут, часто используют то что под рукой: тиски, клинья и др. Таким образом, редко достигается точность изгиба. Сегодня предлагаем сделать полезное приспособление с которым можно сделать любой изгиб намного быстрее и более точно.
Это приспособление может изгибать металлический прут толщиной до 15 мм.
Порядок работы
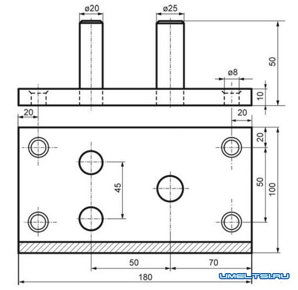
Гибочный станок состоит из двух частей – неподвижных и подвижных стержней. Основа сделана с L-профиля 100 × 100 × 180 мм, и толщиной менее 10 мм. Приспособление можно закрепить на верстаке, для этого по углам просверлены отверстия 8 мм, так же можно легко зажать в тисках.
В основе, просверлить отверстия для оправки диаметром 20 мм, отверстие для штифта диаметром 25 мм. В отверстие вставить оправку и штифт как показано на чертежах и приварить.
Рычаг с размерами 105 × 50 × 10 мм мы изготовили из стали. Приварили ручку, она изготовлена из высококачественной стали. На рычаге имеется отверстие Ø 25 мм для штифта и отверстие Ø 20 мм для оправки, которою необходимо приварить. На конце ручки, можно надеть некоторую защиту для предотвращения производственного травматизма.
Так же предлагаем посмотреть как сделать своими руками трубогибочный станок, гибочный для профтрубы.
Принцип работы показано в прилагаемом фото, способ изготовления и размеры есть на чертеже.
Рычаг

Основание

