Самодельный инкубатор
Полезные приспособления /22-янв,2013,01;29 /
86180

Инкубатор из холодильника
Сейчас промышленность выпускает несколько моделей бытовых инкубаторов различной емкости, но все они имеют один общий недостаток: низкий уровень автоматизации, из-за чего нужен постоянный контроль за режимом инкубации.
Много лет назад я сконструировал свой первый инкубатор. После этого несколько раз модернизировал и переделывал его, а теперь хочу предложить усовершенствованный и полностью автоматизированный вариант. Он проверен в работе и показал отличные результаты: до 90% вывода цыплят — на уровне инкубаторных станций. Этот инкубатор изготовлен в домашних условиях, а значит при желании его конструкцию вполне можно повторить.
Конструкция и детали. Для корпуса инкубатора я использовал старый холодильник (рис. 1), предварительно удалив из него компрессор, теплообменник-конденсатор, испаритель и все внутренние полочки. В дверке вырезал два окна 9 и застеклил их с обеих сторон. Стекло — обычное, оконное. Уплотнительную резинку по периметру дверки нужно обязательно сохранить. Если она пострадала при разборке, то лучше заменить ее на новую.

Рис. 1. Инкубатор в корпусе холодильника:
I — механизм привода поворота лотков; 2 — неподвижная полка выводного отделения; 3 — нагреватель выводного отделения (ЕКв); 4 — перегородка; 5 — наклонно-поворотные лотки инкубационного отделения; 6 - вентиляционные отверстия; 7 — вентилятор; 8 - нагреватель инкубационного отделения (ЕКи); 9 - окно; 10 -лампочки освещения;
II - электронный блок автоматического управления.
Внутренний обьем камеры я разделил перегородкой 4 на две неравные части: внизу — инкубационное отделение с тремя поворотными лотками 5, вверху—выводное с одной неподвижной полкой 2. Перегородка — не сплошная, между отделениями должен быть свободный воздухообмен.
Вдоль задней стенки камеры, а также между передней кромкой перегородки и дверкой нужно оставить небольшую щель для прохода воздуха. Постоянный его обмен в обоих отделениях обеспечивает вентилятор 7, который установлен в самой нижней части инкубатора. Здесь же в боковой стенке сделал для входа воздуха два специальных вентиляционных отверстия 6 Ø10 мм. Выход воздуха происходит через отверстия, которые пришлось проделать в верхней части общей теплоизолированной камеры для пропуска проводов. Эти отверстия не нужно плотно заделывать.
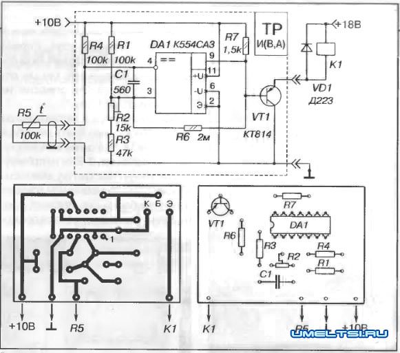
Рис. 2. Принципиальная электрическая схема инкубатора: ТРи, ТРв и ТРа - терморегуляторы: инкубационного, выводного отделений и аварийный; 1/10(6) - стабилизатор напряжения + 10 В (+6 В); ЕКи, ЕКв, ЕКр - нагреватели в отделениях и резервный; АКБ - резераная аккумуляторная батарея; РВл - регулятор влажности; М - двигатель механизма поворота. При питании только от сети -220 В резервный источник АКБ и элементы АЗУ, К1 и ЕКр надо исключить.
Работу инкубатора в автоматическом режиме обеспечивает электронный блок управления 11. Его принципиальная схема показана на рис. 2. Блок контролирует и регулирует температуру, влажность, а также управляет механизмом поворота лотков инкубационного отделения. Кроме сетевого питания инкубатора предусмотрен автоматический переход на питание от резервной аккумуляторной батареи (АКБ). Она подзаряжается от сети.
Терморегулирование. Поддержание необходимой температуры в инкубационном и выводном отделениях осуществляется независимыми терморегуляторами —ТРи и ТРв. Регулятор ТРи управляет работой основного нагревателя ЕКи (контактами К3.1 реле КЗ) и поддерживает температуру в диапазоне 37,5-38,0'С. Мощность ЕКи — 70-100 Вт. Его спираль я равномерно распределил в несколько рядов между изоляторами из плоского шифера. Установил нагреватель ЕКи (см.рис.1, поз.8) внизу инкубационного отделения прямо перед вентилятором.
Рис. 3. Регулятор температуры ТРи (ТРв, ТРа).
Необходимую температуру воздуха в выводном отделении (36,5-37,0'С) обеспечивает регулятор ТРв с помощью дополнительного нагревателя ЕКв мощностью 40-50 Вт. Спираль ЕКв (см. рис. 1, поз. 3) растянул в одну линию вдоль стенок на керамических роликах-изоляторах, которые установил в углах разделительной перегородки.
Третий регулятор ТРа — аварийный. Контактами К2.1 реле К2 он отключает оба нагревателя ЕКи и ЕКв при повышении температуры в выводном отделении выше 37,5*С.
Рис.4. Стабилизатор напряжения +10в(+6в)
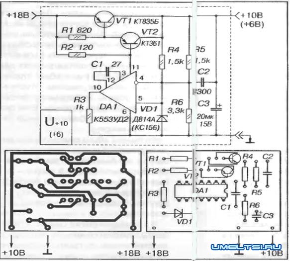
Все терморегуляторы я собрал по одной схеме (рис. 3). Датчики температуры (терморезисторы) размещены внутри корпуса инкубатора и соединены с платами регуляторов экранированным проводом. Чтобы исключить взаимное влияние регуляторов друг на друга, каждый из них питается от своего отдельного стабилизатора напряжения U10 (рис. 4). Реле К2, КЗ и К4 — польского произволства с напряжением срабатывания 24 В. Для надежной их работы при напряжении питания 14-18 В пришлось немного ослабить возвратную пружину.
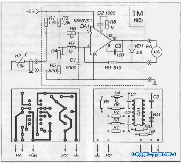
Контроль температуры. Контрольные термометры ТМи и ТМв — также электронные (рис. 5). Они не предназначены для измерения температуры (для этого потребовалось бы их откалибровать и изготовить шкалы — при желании это можно сделать), а служат индикаторами отклонения температуры от заданного значения. Оказалось, что это очень удобно, так как одного беглого взгляда достаточно, чтобы оценить режим работы инкубатора и принять необходимые меры.
В качестве приборов индикации я использовал микроамперметры контроля уровня записи магнитофона «Маяк». Подстроенным резистором R4 на плате термометра стрелка индикатора устанавливается на «О» (номинальный уровень записи по шкале индикатора) при температуре 37,5'С - для ТМи и 37С - для ТМв.
Термометры ТМи и ТМв потребляют небольшой ток и питаются от одног о стабилизатора напряжения 116, который собран по той же схеме, что и 1110 (см. рис.4). Единственное отличие стабилизатора напряжения иб от 1110 состоит в том, что опорный стабилитрон \Ю1 типа Д814А заменен на КС156.
Терморезисторы электронных термометров также установил внутри корпуса инкубатора и соединил с соответствующими платами экранированным проводом.



С помощью механизма поворота осуществляется поворот лотков с яйцами на ±45' в обе стороны от горизонтали через каждые 2 часа. Управляет поворотом электромеханическое реле времени, представляющее собой тихоходный электродвигатель с редуктором, выходной вал которого совершает один полный оборот за 4 часа (см. рис. 1). Почти такое же реле времени используется в стиральной машине «Вятка-автомат», а также в автомате промывки трубопроводов установки механизированной дойки коров на фермах. Кроме перечисленных можно использовать электронный блок управления опубликованный в журнале «Радио», N910 за 1999 г.
Рис. 5. Электронный термометр ТМч (ТМв).
Приводом поворотного механизма (рис. 6) служит мотор-редуктор стеклоочистителя трактора (или автомобиля), который для снижения оборотов дополнен двухступенчатым цепным редуктором. В редукторе использованы звездочки каленвала и барабана сцепления, а также моторные цепи мотоцикла «Восход». На большой звездочке редуктора установлен штифт 3, с которым я соединил верхний шарнир тяги 4. Вращательное движение звездочки преобразуется в возвратно-поступательное движение тяги, которая своим нижним шарниром поворачивает рычаг 5 и жестко связанную с ним ось 6 — главную ось поворотных лотков.
Длина рычага 5 должна быть вдвое больше расстояния от центра звездочки до штифта 3. Тогда поворот звездочки на 180' будет вызывать поворот рычага 5 и оси 6 на 90°.
На противоположном конце оси 6 закреплены рычаги 9, которые нажимают на концевые выключатели 8 ( SF1 и SF2 — по схеме на рис. 2) и разрывают цепь питания мотор-редуктора 1 в конце поворота.
На главной оси 6 жестко закреплена нижняя полка 7. Выше, на равных расстояниях друг от друга, установлены еще две полки — на свободно вращающихся осях. Все три полки соединены между собой тягой 10 и поворачиваются одновременно. На передней и задней сторонах полок сделаны угюры, чтобы при наклонах лотки с яйцами не соскальзывали с них.

Рис. 6. Кинематическая схема механизма поворота: 1 - мотор-редуктор; 2 — шестерни и цепи дополнительного редуктора; 3 — штифт; 4 - тяга привода; 5—рычаг; 6 - главная ось поворотных лотков; 7 — нижняя полка; 8 - концевые выключатели (SF1 и SF2 по схеме на рис. 2); 9 - рычаги концевых выключателей; 10 - тяга.
Блок питания. Инкубатор по условиям эксплуатации должен иметь универсальное питание -220 В и резервный аккумулятор. В этом случае понижающий трансформатор блока питания для обеспечения во вторичной цепи тока до 15 А при напряжении около 18 В должен иметь мощность 250-350 Вт. Я разместил этот мощный трансформатор с выпрямителем сзади корпуса в нише компрессора. Если же сеть -220 В — достаточно стабильна и можно обойтись без резервного аккумулятора, то мощность блока питания может быть существенно меньше — 120-150 Вт. Разместить трансформатор и выпрямитель такой мощности можно непосредственно в корпусе блока управления.
Инкубация яиц. Отобранные для инкубации яйца укладывают в лотки из проволочной сетки. В каждый лоток помещается 53-56 куриных яиц. Чтобы при поворотах они не перекатывались и не повреждались, разделяю их картонной решеткой (каждое яйцо оказывается в ячейке). Я использую сдвинутую во времени загрузку яиц: через каждые 6 дней — по одному лотку. Температура в объеме инкубационного отделения распределяется неравномерно: от 37,8-38,0'С — на нижней полке, до 37,2-37,5*С — на верхней. Поэтому начинаю загрузку с нижней полки.
В первую неделю яйца требуют больше тепла, чем в последующие (за счет жизнедеятельности эмбрионы выделяют собственное тепло). Через 6 дней с первой полки лоток с яйцами перемещаю на среднюю, а на нижнюю ставлю следующую партию и т.д. Через 18 дней переставляю лоток с верхней полки в выводное отделение, предварительно убрав картонную решетку, и все яйца просматриваю через овоскоп (просвечиваю). Болтуны (неоплодотворенные яйца) удаляю. Еще через три дня начинается вывод цыплят, а далее это происходит через каждые 6 дней.
Для того, чтобы вывод был дружным, яйца следует выбирать примерно одинаковыми по размеру. Не годятся для инкубации слишком мелкие яйца, неправильной формы, двухжелтковые или грязные.
Мыть яйца перед инкубацией нельзя, но полезно каждое яйцо окунуть на 3 секунды в раствор марганцовокислого калия, чтобы продезинфицировать верхний слой скорлупы. Их нельзя вытирать, яйца должны сами высохнуть.
Б. ГЛИВА.