Автожир своими руками
Полезные приспособления /31-янв,2011,23;12 /
561781

Кто в детстве не мечтал стать летчиком, покорителем пятого — воздушного океана! Многие романтические натуры не отказываются от этой своей мечты и в более зрелом возрасте. И они могут ее реализовать: в настоящее время существует большое разнообразие летательных аппаратов, на которых способны летать даже пилоты-любители. Но, к сожалению, если такие аппараты изготовлены заводским способом и предлагаются к продаже, то стоимость их настолько высока, что большинству они практически недоступны.
Однако есть другой путь — самостоятельное изготовление надежного и сравнительно простого летательного аппарата. Например, автожира. В данной статье предлагается описание как раз такой конструкции, которая по силам практически любому человеку, занимающемуся техническим творчеством. Для постройки автожира не требуются дорогостоящие материалы и особые условия —достаточно места непосредственно в квартире, лишь бы домочадцы и соседи не возражали. И только ограниченное число деталей конструкции нуждается в токарной обработке.
Энтузиасту, решившемуся на самостоятельное изготовление предлагаемого летательного аппарата, я рекомендовал бы на первых порах собрать автожир-планер. Он поднимается в воздух с помощью буксирного троса, закрепленного за движущимся автомобилем. Высота полета зависит от длины троса и может превышать 50 метров. После подъема на такую высоту и сброса троса пилотом автожир способен продолжать полет, плавно снижаясь под углом примерно 15 градусов к горизонту. Подобное планирование позволит пилоту выработать навыки управления, необходимые ему в свободных полетах. А к ним он сможет приступить, если установит на автожир-планер двигатель с толкающим винтом. При этом никаких изменений конструкции летательного аппарата не потребуется. С двигателем автожир сможет развивать скорость до 150 км/ч и подниматься на высоту нескольких тысяч метров. Но о силовой установке и ее размещении на летательном аппарате позже, в отдельной публикации.
Итак, автожир-планер. Основа его — три дюралюминиевых силовых элемента: килевая и осевая балки и мачта. Спереди на килевой балке находится управляемое носовое колесо (от спортивного микроавтомобиля-карта), оснащенное тормозным устройством, а на концах осевой балки — боковые колеса (от мотороллера). Кстати, вместо колес можно установить два поплавка, если предполагаются полеты на буксире за катером.
Там же, на переднем конце килевой балки, установлена ферма — склепанная из дюралюминиевых уголков и усиленная прямоугольными листовыми накладками треугольная конструкция. Она предназначена для крепления буксирного крюка, который устроен так, что пилот, дернув за шнур, может в любой момент отцепиться от буксирного троса. На ферме укреплены также аэронавигационные приборы — простейшие самодельные индикаторы воздушной скорости и бокового сноса, а под фермой — педальный узел с тросовой проводкой к рулю направления. На противоположном конце этой балки установлено оперение: горизонтальное (стабилизатор) и вертикальное (киль с рулем направления), а также предохранительное хвостовое колесо.
Все картинки при нажатии-увеличиваются
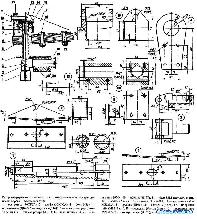
Компоновка автожира:
1 — ферма; 2 — буксирный крюк; 3 — обойма крепления буксирного крюка (Д16Т); 4 — указатель воздушной скорости; 5 — индикатор бокового сноса; 6 — растяжка (стальной трос 02); 7 — ручка управления; 8 — лопасть несущего винта; 9 — головка ротора несущего винта; 10 — кронштейн головки ротора (Д16Т, лист s4, 2шт.); 11 —мачта (Д16Т, труба 50x50x3); 12 — кронштейн крепления спинки сиденья (алюминий, лист s3, 2 шт.); 13 — спинка сиденья; 14 — «самолетный» вариант ручки управления; 15 — рама сиденья; 16 — кронштейн «самолетной» ручки управления; 17 — кронштейн крепления сиденья; 18,25 — ролики тросовой проводки управления (4 шт.); 19 — подкос (Д16Т, уголок 30x30, 2 шт.); 20 — кронштейн крепления мачты (Д16Т, лист s4,2 шт.); 21 — верхний раскос (сталь, уголок 30x30, 2 шт.); 22 — горизонтальное оперение; 23 — вертикальное оперение; 24 — хвостовое колесо; 26 — левая ветвь проводки управления (трос 02); 27 — осевая балка (Д16Т, труба 50x50x3); 28 — узел крепления оси бокового колеса; 29 — нижний раскос (сталь, уголок 30x30,2 шт.); 30 — опора сиденья (Д16Т, уголок 25x25, 2 шт.); 31 —тормозное устройство; 32 — педальный узел; 33 — килевая балка (Д16Т, труба 50x50x3)
Посередине килевой балки расположены мачта и рабочее место пилота — сиденье с автомобильными пристяжными ремнями. Мачта прикреплена к балке двумя дюралюминиевыми пластинчатыми кронштейнами под небольшим углом к вертикали назад и служит основанием для ротора двухлопастного несущего воздушного винта. Механизм ротора с мачтой тоже соединен похожими пластинчатыми кронштейнами. Винт вращается свободно и раскручивается за счет набегающего воздушного потока. Ось ротора может наклоняться в любую сторону с помощью ручки, условно называемой «дельталетной», которой пилот регулирует положение автожира в пространстве. Такая система управления наиболее проста, но отличается от стандартной, применяемой на подавляющем большинстве летательных аппаратов тем, что при движении ручки от себя автожир не снижается, а наоборот, набирает высоту.
При желании возможна установка и «самолетной» ручки управления (на рисунке она показана штрих-пунктиром). Конструкция при этом, естественно, усложняется. Однако выбрать тип управления необходимо еще до постройки автожира. Переделка неприемлема, так как навыки пилотирования, приобретенные с «дельталетной» ручкой, при переходе на «самолетную» могут дать нежелательный результат.
Кроме того, при движении по земле пилот ногами управляет носовым колесом, а после взлета, когда с ростом скорости становится эффективным оперение, — тоже ногами и рулем направления. В первом случае он рулит, попеременно надавливая правой или левой ногой на соответствующее плечо поперечины тормозного устройства, что на колесе; во втором — на ту или иную педаль, связанную тросовой проводкой с рулем направления.
Тормозное устройство применяется во время пробега при посадке на взлетно-посадочную полосу. Оно тоже не отличается особой сложностью. Пилот каблуками прижимает фрикцион (а попросту — деревянную доску) к шине колеса, заставляя их тереться друг о друга и тем самым гасит скорость летательного аппарата. Максимально просто и дешево!
Незначительные масса и габариты автожира позволяют перевозить его даже на крыше легкового автомобиля. Лопасти винта при этом отсоединяются. Устанавливаются они на свое рабочее место непосредственно перед полетом.
ИЗГОТОВЛЕНИЕ РАМЫ
Как уже упоминалось, основу рамы автожира составляют килевая и осевая балки, мачта. Они изготовлены из дюралюминиевой трубы квадратного сечения 50x50 мм с толщиной стенок 3 мм. Подобные профили применяются в конструкциях окон, дверей, витрин магазинов и других элементов зданий. Возможен вариант использования коробчатых балок из дюралюминиевых уголков, соединенных аргоно-дуговой сваркой. Наилучший вариант материала — Д16Т.
Все отверстия в балках размечались так, чтобы сверло только касалось внутренних стенок, не повреждая их. Диаметр сверла подбирался таким, чтобы болты Мб входили в отверстия максимально плотно. Работа велась исключительно электрической дрелью — использование ручной для данных целей нежелательно.
На рисунках координировано большинство отверстий в деталях рамы. Однако многие их них сверлились по месту, как, например, в пластинчатых кронштейнах, соединяющих килевую балку с мачтой. Сначала правый кронштейн, привинченный к килевой балке, был просверлен через отверстия в основании прижатой к нему мачты, затем привинчен левый кронштейн и тоже просверлен, но уже через готовые отверстия правого кронштейна и мачты.
Кстати, на рисунке компоновки заметно, что мачта немного отклонена назад (для этого перед установкой у нее скошено основание). Сделано так для того, чтобы лопасти несущего винта имели на земле начальный угол атаки 9°. Тогда даже при относительно небольшой скорости буксировки на них появляется подъемная сила, винт начинает вращаться, поднимая автожир в воздух.
Осевая балка расположена поперек килевой и прикреплена к ней четырьмя болтами Мб с законтренными разрезными гайками. Помимо того, балки для большей жесткости соединены четырьмя раскосами из стального уголка. К концам осевой балки парными обоймами прикреплены колесные оси (подходят от мотороллера или мотоцикла). Колеса, как уже упоминалось, мотороллерные, с подшипниками, закрытыми для предотвращения попадания в них пыли и грязи колпачками от аэрозольных баллончиков.
Рама и спинка сиденья выполнены из дюралюминиевых труб (очень хорошо для этого подходят детали от детских раскладушек или колясок). Спереди рама прикреплена к килевой балке двумя дюралюминиевыми уголками 25x25 мм, а сзади — к мачте кронштейном из стального угол" ка 30x30 мм. Спинка, в свою очередь, привинчена к раме сиденья и также к мачте.
На раму сиденья надеты кольца, вырезанные из резиновой камеры колеса грузового автомобиля. Поверх них положена и тесемками привязана обшитая прочной тканью поролоновая подушка. На спинку натянут чехол из той же ткани.
Передняя стойка шасси представляет собой вилку из листовой стали с колесом от карта, поворачивающуюся вокруг вертикальной оси. Осью служит короткий болт М12, вставленный в отверстие подошвы (прямоугольника из стального листа), которая прикреплена к килевой балке снизу четырьмя болтами Мб. Под головку болта-оси в килевой балке вырезано дополнительное круглое отверстие.
С боков к перьям вилки носового колеса шарнирно подвешено тормозное устройство. Оно собрано из трубчатой поперечины, двух уголковых стрингеров и деревянного фрикциона. Напомню, что выступающие концы поперечины позволяют пилоту поворачивать рулевое колесо ногами.
В исходном положении устройство держится двумя цилиндрическими пружинами натяжения, зацепленными за кронштейны на носу килевой балки, и тросиком, пропущенным сквозь отверстия в доске-фрикционе. Пружины отрегулированы так, чтобы при отсутствии управляющих действий пилота колесо находилось в плоскости симметрии автожира.
Педальный узел управления аэродинамическим рулем в воздухе тоже достаточно прост. Обе педали вместе с приклепанными к ней деталями соединены шарнирными болтами с трубой, которая привинчена к уголку на килевой балке. Сверху к педалям прикреплены отрезки троса, тянущиеся к кабанчикам руля направления на киле. В проводке управления предусмотрены четыре направляющих ролика, конструкция которых исключает выпадание из них тросов. Натяжение тросов поддерживают цилиндрические пружины, прицепленные к педалям и пластинчатому кронштейну на килевой балке. Пружины отрегулированы так, чтобы руль направления находился в нейтральном положении.
Конструкция фермы довольно подробно описана выше. Поэтому остановлюсь на том, что на ферме крепится — на самодельных аэронавигационных приборах, вернее, на одном из них — индикаторе воздушной скорости. Это открытая сверху стеклянная трубка, в которую помещен легкий пластмассовый шарик. Внизу у нее имеется калиброванное отверстие, направленное в сторону полета автожира. Набегающий воздушный поток заставляет шарик подниматься в трубке, и его положение определяет воздушную скорость. Отградуировать индикатор можно, выставив его в окно движущегося автомобиля. Важно точно нанести значения скорости в пределах от 0 до 60 км/ч, так как именно эти значения важны при взлете и посадке.
Горизонтальное оперение изготовлено из листового дюралюминия толщиной 3 мм. В оперении предусмотрены две прорези под дюралюминиевые уголковые подкосы поддержки мачты. В точках болтового крепления оперения с килевой балкой к стабилизатору приклепаны накладки для повышения жесткости соединения.
Вертикальное оперение посложнее. Оно состоит из киля и руля направления, вырезанных из многослойной фанеры: первый из 10-миллиметровой, второй — из 6-миллиметровой. Отдельные кромки этих деталей окантованы тонкой стальной лентой. Друг с другом киль и руль соединены ииар-нирно тремя карточными петлями (по левому борту).
К аэродинамическому рогу руля сквозным болтом Мб прикреплены два противовеса массой 350 г каждый (они нужны для устранения явления флаттера).
Триммер на задней кромке руля изготовлен из мягкого листового алюминия. Отгибая эту пластинку вправо или влево, можно регулировать точность работы руля.
С обеих сторон руля привинчены кабанчики, выгнутые из стального листа. К ним присоединены тросы проводки управления курсом.
Вертикальное оперение прикреплено к килевой балке справа и для большей жесткости усилено двумя кронштейнами из дюралюминиевого уголка 25x25 мм.
В конце килевой балки установлено хвостовое колесо (от роликовых коньков). Оно предохраняет вертикальное оперение от повреждения при случайном опрокидывании автожира на хвост, а также при взлете или посадке со слишком задранным носом.
РЕКОМЕНДАЦИЯ:
предварительная проверка автожира на земле
Вы собрали автожир-планер. Перед тем как приступить к изготовлению ротора, проверьте, как работают уже готовые механизмы. Делать это лучше всего на той площадке, откуда предполагаются полеты автожира.
Расположитесь на сиденье и убедитесь в том, что сидите удобно и достаете ногами педали. Если необходимо, то подложите под спину дополнительную подушку. Попрыгайте на сиденье — подушка не должна допускать касания рамы телом.
Отклоните ногами носовое колесо и посмотрите, как пружины возвращают его в нейтральное положение. Убедитесь в том, что в этом положении пружины не перетянуты, но и не прослаблены. Во всех соединениях не должно быть никакого люфта.
Прицепите автожир тросом длиной не более десяти метров к автомобилю и осуществите рулежку на скорости не более 20 км/ч. Предупредите водителя, чтобы он неожиданно не тормозил и резко не снижал скорость.
Снимите ноги с перекладины тормозного устройства и посмотрите, выдерживает ли автожир прямолинейное направление. В противном случае отрегулируйте натяжение пружин. Научитесь машинально находить рукой шнур раскрытия крюка и сброса буксирного троса.
Ротор несущего винта, размещенный на верхушке мачты, — наиболее сложный узел в конструкции автожира. От качества изготовления, точности сборки и безошибочности его эксплуатации зависит, беэ преувеличения, жизнь пилота. Основные материалы деталей этого узла — дюралюминий Д16Т и сталь ЗОХГСА (все дюралюминиевые детали анодированы, стальные — кадмированы).
Корпус ротора, пожалуй, самая ответственная деталь, так как в полете именно на ушках корпуса висит вся конструкция автожира. В самом корпусе размещаются два подшипника — радиальный и радиально-упорный, обильно смазанные консистентной смазкой. Корпус с подшипниками вращается на оси ротора. На верху у оси — шплинтованная прорезная гайка М20х1,5 (надо заметить, что простых гаек в конструкции автожира нет: наиболее ответственные из них шплинтуемые, остальные самоконтрящиеся). Глухая крышка, скрывающая гайку оси, предохраняет подшипники от проникновения к ним пыли и влаги.
Внизу ось ротора неподвижно связана с ручкой управления автожиром. Двигая ручкой, можно изменять положение ротора в пространстве, поскольку шарнирное соединение оси с цапфой и цапфы со своим корпусом допускает отклонение оси в пределах, диктуемых диаметром отверстия ограничителя.
К верхушке мачты ротор прикреплен болтами с помощью двух пластинчатых кронштейнов.
РЕКОМЕНДАЦИЯ:
проверка центровки автожира
Когда головка ротора готова и установлена на автожире, необходимо проверить центровку автожира-планера. Вставьте в ушки корпуса ротора болт, которым будет крепиться головка ротора с лопастями несущего винта, и подвесьте автожир за этот болт, например, на крепкую ветвь дерева.
Расположитесь на сиденье и возьмитесь за ручку управления. Держите ее нейтрально. Пусть помощник определит положение мачты автожира. Она должна быть наклонена вперед на угол, лежащий в пределах 2—6° (идеально — 4°). Такая проверка, обычно называемая весовой балансировкой, должна повторяться каждый раз, когда меняется масса пилота или автожира. Во всех случаях без такой проверки летать нельзя.
Если указанный угол лежит вне разрешенного диапазона, то следует либо переместить пилота, либо добавить небольшой балласт в хвостовую часть. Но если произошло существенное изменение массы пилота (она превысила 100 кг) или на автожир установлен двигатель, то необходимо изготовить новые — более толстые пластинчатые кронштейны, которые держат ротор на верхушке мачты.
Лопасти несущего винта полностью идентичны, поэтому достаточно описать процесс изготовления только одной из них.
Вдоль всей рабочей длины лопасти сечения ее одинаковы, никакой крутки и изменения геометрических параметров не предусмотрено. Это существенно упрощает дело.
Лучший материал для лобовой части лопасти — дельта-древесина, применялась в авиации, в морском деле. При ее отсутствии можно самому изготовить аналог, склеив эпоксидной смолой тонкие листы фанеры с прокладками стеклоткани. Для такого заменителя подходит авиационная фанера толщиной 1 мм. Так как листов фанеры требуемой для изготовления лопастей длины не выпускают, то можно склеить срезанные на ус фанерные полоски. Стыки в соседних листах не должны располагаться один над другим, их необходимо разнести.
Клеить лучше на ровной поверхности, подложив полиэтиленовую пленку, к которой эпоксидный клей не пристает. Набрать надо суммарную толщину в 20 мм. После нанесения клея весь «пирог» будущей лопасти следует придавить каким-либо длинным и ровным предметом с грузом и оставить для полного высыхания на сутки. По своим механическим свойствам полученная в итоге композиция ничем не хуже настоящей дельта-древесины.
Заданный профиль передней кромки (носка) лонжерона получен с использованием шаблона следующим способом. По всему размаху лонжерона с шагом 150—200 мм в передней кромке сделаны канавки до полного прилегания шаблона в них к лонжерону. Древесина между канавками сострогана под линейку.
В задних кромках лонжерона рубанком (можно циклей) выбраны «четверти» шириной 10 и глубиной 1 мм под фанерную обшивку. Лист нижней обшивки (заподлицо с лонжероном) приклеен эпоксидной смолой, а к ней и лонжерону — листы пенопласта марки ПС-1, которые предварительно остроганы до высоты 20 мм. Слою пенопласта придана необходимая форма по шаблону верха профиля лопасти. В качестве задней кромки использована сосновая рейка. Последней приклеена верхняя обшивка: достаточно было прижать ее струбцинами к «четверти» лонжерона и задней кромке — и лист фанеры сам принял нужную форму (задняя кромка лопасти должна быть слегка отогнута вверх, как это показано на рисунке).
Каждая лопасть имеет груз массой 100 г, установленный в обтекателе на передней кромке, и отгибной триммер на задней. В комлевой части лопасти приклепаны стальные накладки, через которые просверлены отверстия в лонжероне для крепления лопасти к головке ротора.
РЕКОМЕНДАЦИЯ:
балансировка и настройка лопастей
' После изготовления и покраски лопасти необходимо отрегулировать. Уделите этой операции самое серьезное внимание. Имейте в виду, что чем чище и ровнее поверхности лопастей, тем большую подъемную силу они создадут, а автожир сможет взлетать при меньшей скорости.
Присоедините лопасти к головке ротора и проверьте балансировку. Если какая-то лопасть окажется тяжелее и ее конец опустится ниже, то высверлите часть ее свинцового груза, добиваясь того, чтобы лопасти сравнялись. Если эта операция не даст результата (удалять можно не более 50 г), то высверлите несколько неглубоких отверстий в наиболее толстом участке профиля легкой лопасти и заполните их свинцом.
Поскольку законцовки лопастей при вращении имеют окружную скорость около 500 км/ч, то очень важно, чтобы они вращались в одной плоскости. Наклейте на передние кромки у самого конца лопастей две разноцветные пластиковые ленты. В ветреный день выберете место, где ветер дует постоянно со скоростью примерно 20—30 км/ч (проверьте индикатором воздушной скорости) и поставьте автожир против ветра. Привяжите его пятиметровой веревкой к пню или прочно вбитому в землю колу.
Расположитесь на сиденье, привяжите себя ремнями и вместе с автожиром попятьтесь так, чтобы веревка натянулась. Держась за ручку управления левой рукой, поставьте ротор в горизонтальное положение, а правой раскрутите лопасти так сильно, как только сможете. Ваш помощник должен со стороны наблюдать за вращением концов ротора.
Постепенно наклоняйте ротор назад и дайте ему раскрутиться на ветру до большей скорости. Если разноцветные полоски вращаются в одной плоскости, лопасти имеют одинаковый шаг. Если же почувствуете тряску планера или помощник покажет, что лопасти вращаются не в одной плоскости, то сразу же разгрузите ротор, переведя его в горизонтальное положение или даже наклонив вперед. Отгибая триммеры на незначительный угол вниз или вверх, добейтесь правильного вращения лопастей.
По мере увеличения частоты вращения ротора планер качнется, и переднее колесо приподнимется. Ротор при этом окажется отклоненным назад, что приведет к еще более интенсивному его раскручиванию. Опустите ноги на землю и контролируйте положение автожира в пространстве. Если почувствуете, что он взлетает, то сразу же разгрузите ротор, потянув ручку управления на себя. Поупражнявшись так, вы вскоре будете готовы к первому полету.
Автожир своими руками видео
ПРАКТИКА ПИЛОТИРОВАНИЯ
Так как в полете участвует не только пилот, но и водитель автомобиля, то между ними должно быть полное взаимодействие. Лучше всего, если в автомобиле, кроме водителя, будет находиться еще один человек, который сможет следить за полетом и принимать все сигналы пилота (снижение или увеличение скорости движения и т.д.).
Перед полетами еще раз проверьте техническое состояние автожира-планера. На первых порах используйте относительно короткий буксирный трос длиной не более 20 м. Обязательно предупредите водителя о том, что разгоняться следует плавно и ни в коем случае резко не тормозить.
Поставьте автожир против ветра. Раскрутите ротор правой рукой и ждите, пока он не начнет набирать обороты за счет воздушного напора. Если ветер слабый, то дайте водителю команду двигаться со скоростью 10—15 км/ч по индикатору воздушной скорости. Продолжайте помогать ротору рукой, пока можете это делать.
По мере разгона отклоните ротор полностью назад и дайте водителю сигнал увеличить скорость до 20—30 км/ч. Управляя носовым колесом, двигайтесь за автомобилем прямолинейно. Когда это колесо оторвется от земли, переставьте ноги на педали. Манипулируя ручкой управления, поддерживайте такое положение автожира, чтобы он двигался только на боковых колесах, не касаясь земли ни носовым, ни хвостовым. Ждите, пока возросшая воздушная скорость не поднимет автожир в воздух в этом положении. Корректируйте высоту полета продольными движениями ручки управления (руль направления при этом не эффективен, поскольку планер буксируется на тросе). В полете не допускайте слабины в буксирном тросе. Не закладывайте виражи на большой скорости.
Перед посадкой выровняйте свое положение за автомобилем, пока он не достиг конца взлетно-посадочной полосы. Плавно наклоните ротор вперед и летите на высоте около метра. Поддерживайте это положение малыми «подергиваниями» ручки управления. (Вообще, в отличие от управления самолетом, на автожире движения ручки должны быть не плавными, а резкими, буквально рывками.)
Сигнальте водителю снизить скорость. Когда он это сделает, отклоните ротор полностью назад. Заднее колесо автожира должно первым коснуться земли. Держите ротор отклоненным назад, чтобы не допустить слабины буксирного троса. Остановившись, дайте автомобилю развернуться и двигайтесь вместе с ним к месту старта. Держите положение ротора таким, чтобы он продолжал вращаться. Если полетов больше не будет, то поставьте ротор горизонтально и, когда частота вращения снизится, остановите его рукой. Никогда не покидайте сиденья, пока ротор вращается, иначе автожир может улететь без вас.
Постепенно, по мере освоения техники пилотирования, увеличивайте длину буксирного троса до ста метров и поднимайтесь на большую высоту.
Последним этапом освоения полета на автожире будет свободный полет после отцепления от буксирного троса. Ни в коем случае не снижайте в этом режиме воздушную скорость ниже 30 км/ч!
С высоты 60 м дальность свободного полета может достигать 300 м. Учитесь делать повороты, подниматься на большую высоту. Если стартуете с возвышенности, то дальность полета может составлять километры.