Лебедка, которая пашет
Полезные приспособления /12-окт,2011,19;09 /
61816

Многие сельские самодеятельные конструкторы вполне справедливо считают мотолебёдку самым перспективным почвообрабатывающим агрегатом. Однако и она не без недостатков. И главный из них - это необходимость всякий раз перетаскивать достаточно тяжёлый плуг от конца борозды к её началу, одновременно сдвигая саму мотолебёдку на расстояние, равное межбороздному. Дело в том, что в данном случае силовой агрегат и почвообрабатывающее орудие разделены.
Выход, однако, из этого положения есть. Ничто не мешает объединить мотолебёдку и плуг в единое целое. Правда, это уже будет не универсальный механизм, способный пахать, бороновать, культивировать и служить грузоподъёмным устройством на строительстве дома или при рытье колодца, а просто плуг. Плуг с мотоприводом.
Смонтированная на нём мотолебёдка с помощью троса сама подтягивает себя к якорю. В конце борозды плуг нужно лишь развернуть, а к началу новой борозды перенести только якорь. Остаётся лишь включить первую передачу, отпустить ручку сцепления и «дать газу».
Основу такого мотоагрегата составляет плуг, сконструированный по типу классического, конного. У него - усиленная V-образная рама, сваренная из стальных труб прямоугольного сечения 40x60 мм (можно воспользоваться и круглыми с внешним диаметром 40-50 мм).
Полевая доска и отвал этого плуга - из стального листа толщиной 3 мм, ползун - из уголка 30x30 мм. Для лемеха лучше использовать закалённую качественную сталь - например, диск циркулярной пилы толщиной около 4 мм.

Бороздное колесо диаметром 300 мм и полевое диаметром 160 мм сварены из листовой стали. Колёсная ось согнута из стального прутка диаметром 20 мм.
Поверх рамы плуга располагается моторама - дугообразный кронштейн, на котором смонтирован двигатель типа V-50 (таким в своё время оснащали «тяжёлые» мопеды).
Мощность у него небольшая, всего около 2 л.е., однако усилие на тяговом барабане оказывается вполне достаточным для вспашки огорода под картошку.
Топливный бак монтируется «штатно» - также, как и на мопеде. В принципе, подойдёт и пластиковая канистра ёмкостью около 5 л, нужно только врезать в её днище топливный краник от любого мотоцикла или мопеда.
Как известно, двигатель V-50 не рассчитан на работу без обдува встречным потоком воздуха. Однако организовать принудительное охлаждение не слишком сложно. Для этого нужно лишь снять крышку генератора и на маховике (он же - ротор) закрепить вырезанную из дюралюминия крыльчатку центробежного вентилятора и согнуть из кровельного железа простейший направляющий кожух.
Рукоятки управления плугом сделаны из отрезков труб диаметром 22 мм и оснащены мопедными (или же мотоциклетными) органами управления двигателем: ручкой управления дроссельной заслонкой карбюратора (справа), а также ручкой управления сцеплением и ручкой управления коробкой передач (слева).
На левой рукоятке крепится также манжетка декомпрессора, позволяющая глушить двигатель. Обе рукоятки закрепляются в хомуте на раме плуга и могут при необходимости изменять своё положение в соответствии с ростом пахаря и удобством управления плугом.
Барабан лебёдки собирается из двух мопедных колёсных ступиц, на которых шестью винтами Мб закрепляется отрезок трубы большого диаметра -готовой или согнутой и сваренной из листа толщиной 3 мм.
Звездочки выбираются побольше - например, ведущая от взрослого велосипеда с z=41. Правда, толщина её маловата, так что лучше по стандартной звёздочке, как по кондуктору, вырезать из более толстого материала (стали или закалённого дюралюминия) новую.
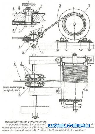
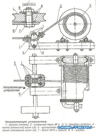
В передней части мотоплуга на колёсной оси располагается направляющее роликовое устройство, через которое пропускается буксирный трос. Оно состоит из пластины-основания, на которой смонтированы пять роликов: четыре на самом основании, а пятый, ось которого перпендикулярна осям остальных роликов,-в приваренной к основанию вилке.
Якорное устройство для закрепления троса просто по конструкции.
Лапа якоря (заглубляемая в землю часть) напоминает лезвие сапёрной лопаты. Толщина стального листа-заготовки для его изготовления - 2 мм.
Траверса - внешняя часть якорного устройства - из стального прутка диаметром 16 мм; для крепления троса к траверсе приваривается проушина из прутка диаметром 8 мм.
Следует отметить, что конструкция якорного устройства существенно зависит от характеристик обрабатываемой почвы. В некоторых случаях, возможно, понадобится увеличить площадь якоря, а то и перейти к другой схеме фиксации троса в грунте - например, с помощью специального «штопора» из прутка диаметром 16-18 мм, ввинчиваемого в землю с помощью воротка. Как показывает практика использования подобных «штопоров» для закрепления на стоянках самолётов, вырвать их из грунта практически невозможно.
Чертежи лебедки
