Как избавиться от конденсата на дымовой трубе
Секреты умельцев /30-дек,2012,10;57 /
45412

От этого явления мокреет не только собственно труба, но и потолок вокруг нее покрывается коричнево-черными разводами. Эта беда касается многих, особенно тех, кто переоборудовал отопительные печи под потребление газа.
Совет Анатолия Тихоновича Шевченко для сайта www.umeltsi.ru универсален по отношению к применяемому топливу, актуален и отличается оригинальностью мысли. Приводим письмо автора почти без сокращений.
Многие, да и сам я, искали способ избавиться от этого явления. Когда цены на топливо ещё не "кусались", мы дольше и жарче топили, заслонка на выходе из трубы почти не закрывалась, и всё это в результате высушивало образовавшийся конденсат из кирпичной кладки дымовой трубы.
Ученые пишут, что на входе в нее температура газов должна быть за 100°С. Представляете, сколько тепла улетит в трубу в прямом и переносном смысле. Это тепло максимально надо оставить в помещении.
Вот и у меня раньше кирпич дымовой трубы был мокрый, а иногда и до потолка потеки доходили. А когда я вмонтировал в печку трубы водяного отопления, то в радиусе 1 м на потолке штукатурка обвалилась. Потому что из-за этих труб понизилась температура выходящих газов.
Стыдно было и перед семьей, и перед гостями, да и самого зло брало - ведь я какой-никакой строитель.
У меня паралельно печке подключен газовый котел, так что печку я топлю в основном только днем и то не сильно. А два года назад переделал дымовую трубу - и потолок стал сухим.
Итак, вам понадобится не пропускающая влагу труба. Самая лучшая - алюминиевая, она легкая, цементно-асбестовая - тяжелая, а стальная будет ржаветь. Диаметром не менее 10 см (это для самых маленьких печей), длиной от потолка до самого верха. У меня снизу стоит асбестовая, а сверху в нее вставлена алюминиевая.
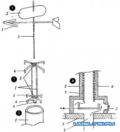
Работу начнем с низу. Напоминаю, что выходной канал сквозь потолок должен быть заделан несгораемым материалом в радиусе 25 см. Смотрим рис.4. Делаем стягивающее кольцо (1) вокруг трубы (2)., чтобы она не опускалась, а зафиксировалась на нужной высоте. А высоту определим, когда установим над потолочным проёмом (7) кастрюлю (4) поллитрового объема с таким расчетом, чтобы дымовые газы могли свободно её обтекать.
Диаметр кастрюли должен быть несколько больше от наружного диаметра трубы, чтобы конденсат стекал име-нно в кастрюлю. Попутно подберите дверцу (5) от поддувала, чтобы через нее свободно проходила кастрюля. Я установил дверцу размером 12x24 см.
В крайнем случае, этот проем можно «насухо» заложить кирпичом и оштукатурить. Придется остановиться на пропорции песка к глине, потому что песок бывает с глиной и без нее, и глина разной жирности. В замешанный раствор (1:3) опускаем сухую деревянную палочку, вынимаем и смотрим.
Если на ней нет раствора -добавить глины. Если палочка облеплена раствором -добавляем песка. Нормальным считается раствор, когда на палочке он остается изредка. Подбираем зазор между кастрюлей и трубой, далее выкладываем кирпич (6) для укрепления и утепления трубы.
Стягивающее кольцо фиксируем над подходящим под него рядом кирпича. 1-1,5 метра высоты кирпичной кладки достаточно, далее можно утеплить трубу стекловатой и т.п.
Откуда берется конденсат и куда он девается? В начале топки, пока труба еще холодная, а внутри нее идет теплый воздух, он образуется и по внутренним стенкам трубы стекает, в нашем случае - в кастрюлю (максимум стакан, в зависимости от мороза на улице). Потом по мере нагрева трубы этот процесс прекращается, и начинается испарение из кастрюли.
Желательно сделать и флюгер (рис.1), на котором установлен козырёк (2) для повышения тяги и защиты трубы от прямого попадания дождя и снега. Можете на самый верх «посадить» красивого петуха. Для флюгера потребуется сварка. Из рисунков должно быть понятно, но вкратце поясню.
Вначале изготовим изделие, изображенное на рис.2. Длина соединяющих прутков (1) должна быть примерно 30 см, т.к. при более коротких увеличится сила трения оси (3) (рис. 1) диаметром 8 мм с гайками (2) (рис.2). Причем нижняя гайка удлиненная - чтобы в ней поместился шарик (3), а снизу этой гайки приварена пластинка (4). Нижние распорки (5) вставляются внутрь трубы (1) (рис.3), а верхние (6) ложатся на трубу. Для центрации и плотности посадки распорки можно подгибать.
Вставляем ось (3) (рис.1) в гайки и привариваем флюгер (1) (рис. 1), чтобы он был на 2 см выше верха распорок, и особое внимание уделите не на середину длины стрелы, а на центр ее тяжести, иначе увеличится сила трения, и слабый ветер ее не повернет. Задние крылья стрелы должны быть больших размеров, да и угол атаки можно увеличить по сравнению с передними. Угол наклона козырька 30° к горизонту и расстояние от его нижней кромки до трубы примерно 5 см.
А. Т. ШЕВЧЕНКО