Инкубатор с автоматическим переворотом своими руками
Приусадебное хозяйство /13-фев,2019,22;47 /
6249

Давно занимаюсь разведением домашней птицы. за это время убедился, что для выведения цыплят одних наседок недостаточно, нужен инкубатор.
Купить такое устройство не позволяли финансы, поэтому смастерил его из того, что было под рукой.
Схемы
Понадобилось:
- ЛДСП обрезки ламината,
- алюминиевый лист размером 550x390 мм,
- два мебельных навеса, саморезы, шпагат,
- монтажная плата,
- трансформатор на 220->12 В,
- электропривод DAN2N,
- две лампы накаливания по 40 Вт,
- вентилятор на 12 В.
Корпус
На циркулярной пиле из листа ЛДСП выпилил по чертежу (см.схему.заготовки короба.)
В полученных деталях просверлил отверстия d 4 мм для саморезов. Собрал корпус и на две мебельные петли установил крышку.
Сверху в стенках короба просверлил ряд вентиляционных отверстий d 5 мм.
Лоток для яиц
В алюминиевом листе просверлил отверстия d 10 мм для циркуляции нагретого воздуха. На готовом основании закрепил боковины из ламината.
В планках выпилил пазы до середины с шагом 50 мм, в них заправил сетку из садового шпагата так, чтобы получились ячейки для яиц. Шпагат в прорезях проклеил Титаном. Получились отсеки размером 50x50 мм, по размеру больших утиных яиц. Чтобы не изготавливать много разных лотков, куриные яйца в некоторых местах дополнительно фиксирую вкладышами из пенопласта (фото 1).
На заметку
Для перепелиных яиц необходимо изготовить ЛОТОК с размером ячейки 30x30 мм.
Для перепелиных яиц необходимо изготовить ЛОТОК с размером ячейки 30x30 мм.
Для большей производительности в инкубаторе предусмотрел двухуровневую установку лотков. Для этого на коротких боковинах уже готового лотка вместе со скобами-фиксаторами на опоры зафиксировал клиновое крепление (фото 2).
Устройство для наклона
Чтобы установить лоток в контейнер, на боковинах строго на одном уровне закрепил фиксаторы — с одной стороны шпильку, а с другой — поворотный флажок (фото 3)


Для приведения флажка в действие снаружи на боковине закрепил редуктор, к которому подсоединил таймер (фото 4)
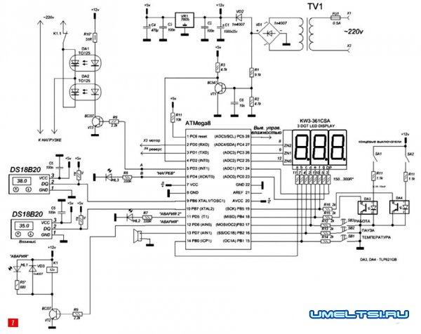
Блок управления
Чтобы привести в действие таймер и регулировать температуру в инкубаторе, необходим блок управления (БУ) (фото 5). Его собрал по схеме 1


Нагреватель и вентилятор
На выход силовых ключей по схеме 2 подключил две лампы накаливания и параллельно им — вентилятор, который начинает вращаться вместе с включением ламп. Рядом установил емкость с водой для поддержания необходимой влажности (фотов)
Внутри инкубатора разместил датчик температуры, который также подсоединен к цепи.


Принцип работы БУ
Руководствуясь схемой З, выставляю необходимую температуру и периодичность поворота лотка и запускаю систему.