Полноприводной вездеход с ломающейся рамой-"Бобик"
Самоделки вездеходы /09-ноя,2017,22;55 /
34084

На досуге увлекаюсь строительством вездеходов. Первую такую машину построил еще летом 2011 года. А сейчас представляю, на мой взгляд, одну из самых удачных своих разработок - полноприводной вездеход с «ломающейся» рамой - «Бобик».
Рама - шарнирно-сочлененная («ломающаяся»), состоит из двух полурам коробчатого типа, сваренных из профильных труб сечениями 40x40x2 мм, 40x20x1,5 мм и 40x25x2 мм. Места крепления к ним мостов усилены накладками из трубы прямоугольного сечения 40x25*2 мм.
Каркасы кабины, капота, крыльев и кузова выполнены из труб квадратного сечения 20x20x1,5 мм и 15x15*1,5 мм.



Размеры передней полурамы (длина х ширина х высота) - 1650x800x260 мм. Моторный отсек занимает 750 мм (по длине), остальное пространство отведено под место водителя. Эта полурама задумывалась как универсальная - под несколько типов двигателей. Поэтому размеры моторного отсека делались под двигатель ВАЗ-1111 «Ока». Большинство остальных подходящих двигателей -меньше по размерам. Например, для двигателя, подобного Lifan 182FD, длину моторного отсека вполне можно уменьшить на 100-150 мм.
Задняя полурама - в плане трапециевидной формы (впереди уже, чем сзади), чтобы радиус поворота был меньше. Ширина «вершины» - 200 мм, основания -810 мм, боковины - длиной по 900 мм. Высота «короба» полурам - 260 мм. Для увеличения объема кузова делал заднюю полураму прямоугольной формы.
К внутренним поперечинам полурам, к сторонам, обращенным друг к другу, приварены стальные плиты 10-мм толщины для крепления сочленяющего шарнира (переломного узла). Расстояние от внутренних «торцов» полурам до середины мостов составляет 790 мм. Таким образом, база вездехода равна 1830 мм.
В основе конструкции переломного узла - поворотный кулак от переднего моста УАЗ-469. Внутри, в двух подшипниках 180106, одном подшипнике 180208 и двух втулках вращается ШРУС от УАЗа.
Безусловно, шарнирно-сочленяющий (переломный) узел - довольно сложный механизм, и он достоин подробного описания. Его я делал по методу омича Юрия Шашкина - из поворотного кулака от УАЗ-469, внеся лишь некоторые изменения. Юрий использует ШРУС от ВАЗ-2121 (или ВАЗ-2108). Есть и другие отличия: у Юрия под подшипники протачивается шаровая опора поворотного кулака, у меня же под них точится отдельный корпус.
Вообще, только по переделке кулака УАЗ в узел поворота можно написать многостраничную отдельную статью. Но своих чертежей я не делал, а давать чужие - неэтично.
В середине передней полурамы смонтирован самодельный фланец, в который вставляется вал с блоком из ведомой звездочки цепного редуктора, тормозного диска и вилки карданного вала привода переднего моста. Диск оснащен привернутым к раме суппортом от ВАЗ-2106 с цилиндрами и колодками.
К плите задней полурамы прикреплен фланец от главной передачи моста УАЗа, через который проходит вал, переломного узла с вилкой карданного вала заднего привода.
Трансмиссия
На выходном валу двигателя (Lifan 182FD или подобный) установлен ведущий шкив диаметром 95 мм. Шкив имеет пять ручьев профиля «А». Четыре из них предназначены для ремней привода сцепления и один (крайний) - для привода генератора или гидронасоса. Валы на разных двигателях не одинаковы по размерам и с разной шириной шпоночного паза, так что здесь надо быть внимательным.



Длина ремней профиля «А» (генераторный от дизеля Д-240) - 1250 мм. Ремни натягиваются роликом с двумя пружинами. Ролик вращается в двух подшипниках 180203. Его ось, для удобства, входит в подшипники «по скользящей» посадке, то есть достаточно свободно (от руки). При затягивании гайки оси внутренние обоймы подшипников зажимаются между распорными втулками и не прокручиваются.
Ведомый шкив диаметром 260 мм смонтирован на опорном валу, который вращается в двухрядном подшипнике от переднего колеса автомобиля ВАЗ-2108. К концу опорного вала приварена шлицевая втулка от диска сцепления «Жигулей». В эту втулку входит первичный вал коробки перемены передач (КПП) от ВАЗ-2106.
Отверстия в шкиве для его крепления к валу просверлены под фланец «жигулевского» карданного вала. Сделано это для универсальности применения данного шкива. Повторять вовсе не обязательно, можно расположить отверстия на шкиве и фланце вала под углом 90°.
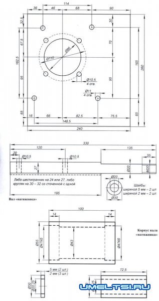
Выходной вал КПП обрезан до начала шлицов. На шлицы насаживается фланец карданного вала «Жигулей». Труба вала при этом обрезается до требуемой длины. Второй фланец кардана прикручивается к первичному валу цепного редуктора, к которому приварена звездочка (z=13, шаг 19,05 мм). Сам первичный вал вращается в конических подшипниках от передней ступицы «Жигулей», которая, в свою очередь, прикручена к подвижной плите. Меняя положение плиты, можно регулировать натяжение цепи.

Рулевое управление:
1 - переломный узел; 2 - сошка; 3 - шарнир; 4 - тяга; (хорошо видны цепь на ведомой звездочке и за ними - суппорт трансмиссионного тормоза)


На раздаточном валу поворотного узла установлена ведомая звездочка с количеством зубьев z=41. С раздаточного вала осуществляется привод главных передач мостов (от ВАЗ-2106) посредством карданных валов (укороченные от ВАЗ-2121 «Нива»). Ведущие мосты (и передний, и задний) - от ВАЗ-2106. Покрышки на колеса ставил как самодельные («ободранные»), так и промышленного производства. Особой разницы в ходовых качествах не заметил.
Кабина водителя
Место водителя находится за моторным отсеком и отделено от него перегородкой из дюралюминиевого листа на рамке из труб сечением 20x20 мм. Кабина водителя - полузакрытая (без дверей и задней стенки). Сиденье - от пассажирской «Газели». Под сиденьем находится аккумулятор на 60 А ч. Рулевая колонка переделана из «жигулевской» (ВАЗ-2106), оттуда же взята верхняя часть рулевого карданного вала. Нижняя его часть изготовлена из профильной трубы 20x20x2 мм, крестовина рулевого карданчика 2141 «Москвич». Рулевой механизм («рейка») заимствован тоже от М-2141.


Педальные узлы - от «Жигулей». Их расположение такое же, как на автомобиле. Педаль сцепления соединена с натяжным роликом ременного сцепления посредством тросика. Тормоза - трансмиссионные, диск смонтирован на валу ведомой звездочки. Педаль связана штоком с главным тормозным цилиндром (от сцепления УАЗа), приводящим в действие тормозные цилиндры суппорта (от ВАЗ-2108). Педаль «газа» самодельная, соединена с карбюратором боуденовским тросиком.
Под рулем находится панель, на которой расположены тумблер включения света фар, ручка тросовой тяги к воздушной заслонке карбюратора, кнопка звукового сигнала и выключатель «массы».
Вездеход «Бобик» неоднократно подвергался модернизации, имеет даже несколько сходных копий, которые разошлись по разным хозяевам. Поэтому некоторые чертежи могут в чем-то не совпадать с изображениями на фотографиях.
Основные данные вездехода "Бобик"


Двигатель - Lifan 182FD, мощностью 11 л.с., четырехтактный, с принудительным воздушным охлаждением, китайского производства.
Коробка передач - от ВАЗ-2106, четырехступенчатая.
Мосты - от ВАЗ-2106, передаточное число 3,9.
Покрышки - ВИ-3 (от КРАЗ-255Б), облегченные («ободранные»), фактический размер 1250x520-533 мм.
Диски - неразборные (под забортовку), с фиксацией покрышки болтами.
Габаритные размеры (длинахширина* высота) - 3300x1950x2300 мм.
Грузоподъемность на суше/воде -300/200 кг.
Масса снаряженного - 780 кг.
Максимальная скорость - 25 км/ч
Чертежи полноприводной вездеход с ломающейся рамой







П. Семенов