Кондуктор для сверла своими руками
Полезные приспособления /16-дек,2019,02;45 /
9800

Сегодня мы сделаем специальное устройство, которое называется кондуктор. Его используют для максимально быстрого и точного проделывания отверстий в изделиях, изготовленных из метала, натурального дерева, ДСП или МДФ. Если вы занимаетесь изготовлением мебели – это один из ваших первых помощников. Оно также пригодится и для других дел.
Можно прикупить уже готовый инструмент, а можно изготовить его своими собственными руками.
Кондуктор для сверла под углом
Соединение с использованием косого шурупа принято считать самым надежным и быстрым креплением. Огромный плюс такого крепления – экономия времени. Минус – надобность специального кондуктора. Ваш карман существенно полегчает после покупки такого прибора, но никто не может помешать вам сделать его самостоятельно.

Найдите для этого брусок размером 80*45*45 мм. Отмерьте 15 мм с каждого края, сделайте отметки, затем сделайте в нем два отверстия. Для этого используйте 10-е сверло.

Нам нужны будут две трубочки из нержавеющей стали (внутренний диаметр – 8мм. А внешний – 10). Отрезайте размером 8.5-9 мм.

Теперь возьмите молоток и с его помощью вбейте трубочки из нержавейки в ранее подготовленные отверстия. Чтобы сцепление дерева и метала было лучше – смажьте трубочки небольшим количеством эпоксидной смолы.

Далее надо взять Wood & Metal – это пилка для лобзика. Также для метала и дерева. Да-да, и такое тоже может быть. Угол отреза – 75 градусов.

Поскольку, используя лобзик, нереально сделать идеально прямой рез (даже если начинать пилить ровно сверху, то снизу полотно все-равно уйдет в сторону) – придется равнять с помощью шкурки.

После проделанной работы останется только убрать лишнее дерево, но только совсем немного. Также нужно сделать параллельную отрезанному краю линию, но только с задней стороны кондуктора, а с передней под углом 35 градусов. Если сделать все правильно, то эти линии сойдутся в самом центре. Далее нужно взять лобзик и аккуратно отрезать ним по намеченной разметке.

Вот и все. Наше устройство готово.
Кондуктор для сверления отверстий под шканты

Соединения, которые делают на деревянных шкантах – это, пожалуй, самые популярные среди соединений, ведь они и надежные, и простые одновременно. Если хотите установить все правильно – надо делать максимально точные отверстия.

Суть работы и этапы
Прежде всего возьмите деревянный брусок и сделайте в нем пару сквозных отверстий. Советуем воспользоваться станком для сверления. Это нужно чтобы соблюсти угол в 90 градусов. Диаметр самого сверла, как правило, подбирают под диаметр (наружный) металлической трубки.

Следующий этап – отрезка трех кусков фанеры, имеющих форму прямоугольника. После отрезки в них надо проделать отверстия.

Далее берем металлические трубки и аккуратно вклеиваем их в те отверстия, которые вы сделали в деревянных брусках. В качестве средства для поклейки можно использовать эпоксидный клей.

Последний этап – приклеивание деревянных брусков к кускам фанеры. Для этого используйте клей ПВА. После того как конструкция окончательно высохнет, кондуктор-шаблон готов к дальнейшему применению.

Если хотите увидеть своими глазами как делается кондуктор для сверления под шканты – посмотрите видеоролик.
Многоползунковый мебельный кондуктор
Прочитав эту статью, вы узнаете, как своими собственными руками выполнить одновременные отверстия в двух взаимно сопрягаемых деталях.

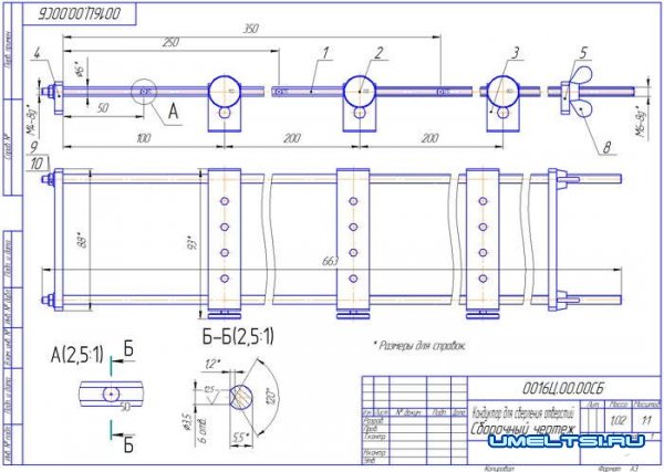
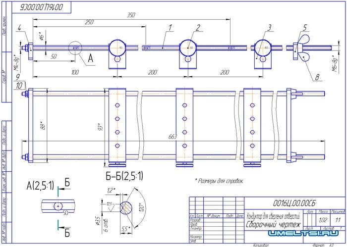
Делается все довольно просто. Благодаря специальному устройству. Также известному как двухползунковый мебельный кондуктор. Ниже на рисунке – чертеж.
На нем конструкция самого устройства. Его главные составляющие две направляющие линейки соединенный между собой крепежом со специальной ланкой (соединительной). На самой планке имеются несколько отверстий, именно благодаря этому на нее можно устанавливать планку для деталей, имеющих различную ширину. Сменные корпуса и набор направляющих втулок, которые имеют разные расстояния друг между другом, перемещаются по линейкам. Кондуктор фиксируется благодаря соединительной планке. Ограничитель хода фиксирует его с противоположной стороны. Барашковый винт поджимает ограничитель хода.
Чертеж – многоползунковый мебельный кондуктор: 1 — Направляющая линейка; 2 – Регулировочный винт; 3 – Корпус; 4 – Упорная планка; 5- Ограничитель перемещения.