Самодельные лодочные моторы
Полезные приспособления /16-июн,2018,22;06 /
20386

Увлечение лодочными моторами пришло ко мне сравнительно недавно, в 2014 году. Хоть я и закончил моторный факультет МАИ и по основной профессии работаю инженером-конструктором двигателей летательных аппаратов, свою страсть к самодеятельному техническому творчеству я в основном удовлетворял совершенствованием УАЗа-«буханки», переделанной во внедорожный «кемпер» для семейных путешествий по стране. В поездках на этой машине мы проводили все отпуска, начиная с 2000 года. А в 2013-м, будучи в Карелии и Мурманской области, неожиданно поняли, как много теряем, не имея с собой хотя бы небольшого плавсредства. К самым красивым озерам Кольского полуострова (Имандра. Умбозеро, Ловозеро) можно добраться только «точечно», и при этом есть риск оказаться возле дач местных жителей. Поэтому первое, что мы сделали по возвращении домой, это приобрели маленькую лодку «Стрингер-265» класса «картой».
Делая выбор, мы сознательно отказались от «надувнушки», чтобы не занимать полезное пространство внутри «дома на колесах», и без того забитого снаряжением, продуктами и прочим походным скарбом. Двухместная же пластиковая лодочка массой всего 40 кг, рассчитанная на подвесной мотор мощностью до 5 л.с., довольно легко забрасывается на крышу автомобиля.
Следующим приобретением стал четырехтактный подвесной мотор Honda BF2 мощностью 2 л.с. Он был далеко не новый и потребовал переборки. Вот тут-то я и «подсел» на новое «технохобби».
Удивительно, но возиться с лодочным двигателем оказалось намного приятнее, чем с автомобильным. Сидишь за столом под лампой, все детали маленькие и аккуратные, резьбы не больше Мб. Получаешь «удовольствие в чистом виде»!
Затем был отреставрирован «Ветерок-8», а потом пошли собственные конструкции, как правило, относящиеся к разряду «гибридов»: современные мотоголовки, установленные на «ноги» старых отечественных двигателей. Из соображений бюджетности основными объектами. участвующими в моих изысканиях, стали изделия производства КНР.
Моторы собирались, разбирались, менялись, поэтому сейчас я и сам уже затрудняюсь сказать, сколько их всего было. Во всяком случае, сегодня в кладовке находятся семь комплектных двигателей, которые вполне можно назвать самодельными. Есть даже довольно экзотический вариант с гребным колесом для мелководных речек. Надеюсь, что накопленный мною опыт будет полезен другим водномоторникам-самодельщикам - читателям «Моделиста-конструктора», тем более что это мой настольный журнал, начиная с № 4 за 1966 год.
С ПОЛЯ НА ВОДУ
Первой моей полноценной самоделкой стал двухтактный триммерный двигатель, установленный на «ноге» старенького «Спутника» (складной вариант самого маленького советского ПЛМ «Салют» мощностью 2 л.с.). Хотелось получить максимально компактный и легкий, но при этом достаточно мощный мотор. Соответственно, мотоголовка выбиралась наиболее мощная из имеющихся тогда на отечественном рынке.

Недорогие и лег кие китайские мотоголовки могут найти широкое применение в творчестве самолельщиков. Работать с ними можно лома буквально на кухонном столе!
В 2014 году это был «двухтактник» с рабочим объемом 52 см1 от мотокосы Carver GBC-052. Заявленная производителем мощность составляла целых 3 л.с. (как выяснилось позже, это было сильно преувеличено).
Здесь необходимо сделать важное техническое отступление об общих особенностях так называемых триммерных ДВС, широко применяющихся сейчас не только на мотокосах, но и на мотовелосипедах, мотосамокатах и даже на больших авиамоделях. Все они одноцилиндровые, имеют высокую рабочую частоту вращения (до 9000 об/мин), принудительное воздушное охлаждение крыльчаткой, выполненной за одно целое с маховиком, однотипные мембранные карбюраторы Walbro, допускающие работу 8 любом положении, такое же «стандартное» электронное зажигание и автоматическое центробежное сцепление двух основных размеров (с диаметрами ведомых барабанов 54 или 78 мм). Интересно, что высокая частота вращения, воздушное охлаждение и центробежное сцепление присущи и лодочному моторчику Honda BF2, который был создан на основе сельскохозяйственного двигателя общего назначения Honda GXV57 (более мощные лодочные моторы фирмы построены уже на основе блоков автомобильных двигателей).
Триммерные двигатели бывают двухтактные и четырехтактные. В настоящее время линейка китайских «двухтактников» шире. Большинство из них независимо от бренда происходит от одного прототипа компании Mitsubishi и имеет заводские обозначения в стиле советского ВПК, состоящие из набора цифр и букв: 1E34F с рабочим объемом 26 см3, 1E36F - 33 см3, 1E40F - 43 см3, 1E44F - 52 см3 и 1E48F - 63 см3. Кроме того, существует редкий «сверхмощный» вариант 1E48F с рабочим объемом 72 см3.
Основные характеристики двухтактных триммерных моторов приведены в таблице. Их мощность указана по данным производителей, но поскольку они порой позволяют себе ее значительно завышать, то приблизительно можно считать, что каждые 25 «кубиков» рабочего объема соответствуют где-то одной реальной «лошади». В той же таблице для сравнения приведены характеристики современного двухтактного двигателя Maruyama NE500 японского производства с рабочим объемом 50.2 см3. За счет существенно более высокой частоты вращения он имеет лучшие характеристики по мощности при меньшей массе. Однако цена его выше любого «китайца» втрое, поэтому как исходный материал для самоделыцика он вряд ли подходит.
Интересно, что триммерные двигатели обладают резервом повышения мощности. Как уже отмечалось, все они оборудованы мембранными карбюраторами Walbro с двумя регулировочными винтами: винт холостого хода и винт качества топливной смеси на высоких оборотах.
Если пользование первым прописано в руководстве по эксплуатации, то второй вне ремонтной мастерской трогать не рекомендуется. Это не случайно, так как мотокоса часто работает в условиях резкого снятия нагрузки при высоких оборотах, когда режущая головка поднимается в воздух. И если винт качества смеси отрегулирован неправильно, то моторчик может «пойти вразнос». Однако такой режим совершенно не характерен для ПЛМ, гребной винт которых постоянно погружен в воду. Поэтому можно заняться индивидуальной тонкой настройкой винта качества. Он затягивается (несильно!) до упора, а затем понемногу отворачивается на 1,0-1.5 оборота. Такой регулировкой достигается максимальная частота вращения на режиме максимальной мощности и при этом обеспечивается легкий запуск. Реальная количественная прибавка мощности мне неизвестна, но по скорости лодки она ощутимо заметна.
КИТАЙСКАЯ «ГОЛОВА» НА СОВЕТСКОЙ «НОГЕ»
При стыковке мотоголовки с редукторной частью («ногой») подвесного лодочного мотора всегда возникают два основных вопроса: 1 - изготовление переходной плиты между дейдвудной трубой и узлами крепления головки; 2 - изготовление переходной муфты между коленчатым валом двигателя и вертикальным валом лодочного мотора. В случае триммерного двигателя между коленчатым и вертикальным валами устанавливается центробежное сцепление. Иногда, правда, некоторые самодельщики сцепление удаляют, что позволяет передавать крутящий момент на винт при малых оборотах двигателя (и ловить рыбу «на дорожку», например). Но я не сторонник такого решения. Причин тому несколько. Во-первых, центробежное сцепление и воздушное охлаждение двигателя позволяют запускать его еще на берегу даже в горизонтальном положении, что очень удобно в плохую погоду или на быстром течении. Во-вторых, сцепление сглаживает пики крутящего момента и тем самым существенно повышает надежность силовой передачи. В-третьих, двухтактный триммерный двигатель в любом случае плохо подходит для троллинга, так как работает на малых оборотах крайне неустойчиво.

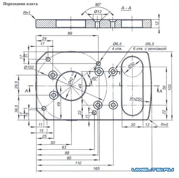
На рисунке показана переходная плита между дейдвудом мотора «Салют»/«Спутник» и «стандартным» триммерным сцеплением диаметром 78 мм. Материал - сплав Д16Т. Допуски размеров не указаны сознательно, так как разметку лучше всего производить «по месту». В отверстия стыкуемых деталей устанавливаются заостренные шпильки Мб, а затем легкими постукиваниями молотка определяются центры ответных отверстий. Часть переходной плиты служит ручкой для переноски -это необходимый элемент любого подвесного мотора.
Особенность дейдвуда «Салюта» заключается в том, что одно из его отверстий диаметром 6 мм совпадает с соответствующим отверстием «колокола» сцепления. Поэтому мотоголовку необходимо повернуть на угол примерно 5 градусов относительно плоскости симметрии, что внешне почти незаметно.
Мой опыт показывает, что при наличии подходящей заготовки такую переходную плиту вполне возможно изготовить в домашних или гаражных условиях без применения фрезерного станка. Достаточно электрического лобзика с пилками по металлу и электродрели с набором сверл и коронок.

- Изготовить переходную плиту можно даже в условиях домашней мастерской без применении фрезерной обработки
- Установка китайской триммерной мотоголовки на «ноге» лодочною мотора «Спутник» осуществляется с помощью переходной плиты
Теперь переходим к муфте. Данный узел соединяет отрезок шлицевого вала мотокосы диаметром 8 мм (бывает, что в них встречаются валы диаметром 7 и 10 мм) и вертикальный вал «Салюта», наконечник которого имеет внутренний квадрат 9x9 мм. Для стыковки валов использован инструментальный переходник ѴІ"-3/8". Хвостовик шлицевого вала шлифуется «болгаркой» под квадрат 6,35x6,35 мм (1/4"). При должной аккуратности это несложная операция. А хвостовик переходника необходимо уменьшить от квадрата 3/8" (9,5x9,5 мм) до 9x9 мм. Самое важное и слабое звено подобной муфты - место непосредственной стыковки валов. Если в нем есть люфт, то оно будет неизбежно разбиваться. Поэтому здесь необходима плотная посадка «на горячую». Квадратный хвостовик вала шлифуется так, чтобы он едва входил в паз переходника, но не более. Затем переходник нагревается до температуры 150 - 200 градусов (не до каления!), и узел собирается в тисках легкими ударами молотка. Пружина необходима для того, чтобы убрать осевой люфт вертикального вала.
К сожалению, точный расчет прочности такого миниатюрного соединения невозможен. В одноцилиндровом двигателе внутреннего сгорания пиковые значения крутящего момента могут превышать средние, взятые из внешней скоростной характеристики, в 2-3 раза, что при циклическом повторении может привести к усталостному разрушению в опасном сечении. Конкретные значения пикового момента определить трудно, так как неизвестно демпфирующее действие маховика и сцепления. Приблизительный же расчет в соответствии с известным справочником конструктора В.И. Анурьева дает касательные напряжения, близкие к пределу усталостной прочности стали 45. Остается надеяться, что китайцы изготавливают кованый шлицевой вал из более прочной легированной стали.
Впрочем, сейчас уже можно сослаться на то, что описанная конструкция переходной муфты прошпа проверку успешной эксплуатацией мотора в течение двух сезонов. И она оказалась вовсе не самым слабым звеном. Срезались штифты гребного винта, изнашивались накладки сцеппения, но эта муфточка, хотя я на всякий случай и изготовил запасную, работала без поломок.
Для управления мотором я решил использовать штатную ручку бензокосы. Она удобна тем, что все нужные элементы - клавиша газа и выключатель зажигания - сосредоточены в одном месте. Имеется фиксатор клавиши газа, соответствующий примерно 90-процентной мощности. Дюралюминиевый румпель -раздвижной, сделанный из телескопической щетки для мытья окон. Он закреплен одним винтом-барашком М8 и при транспортировке пегко снимается.
Решение редкое для лодочных моторов, но считаю его удачным. Небольшие изменения были сделаны и в подводной части. С ведущего вала редуктора удалена крыльчатка насоса водяного охлаждения, а ее полость для повышения герметизации редуктора заполнена «Литолом». Ненужный выхлопной патрубок спилен для улучшения обтекаемости.

- Румпель-раздвижной, сделанный из телескопической щетки для мытья окон. Клавиша газа и выключатель зажигания находятся на ручке от бензокосы.
- Самодельный ПЛМ Honda BF2. Обратите внимание на размеры гребных винтов.
Недостатком «Салюта» можно считать фактическое отсутствие антикавибрационной плиты (АКП), что может привести к подсосу воздуха винтом, особенно при возросшей мощности мотора. Пришлось изготовить АКП самостоятельно. Материал - алюминиевый сплав АМгб. Плита устанавливается между дейдвудной трубой и корпусом редуктора вместо штатной прокладки. Дизайн вдохновлен формой рыбьего хвоста.
Один из важнейших элементов лодочного мотора, определяющий эффективность комплекса «лодка-мотор» - это гребной винт. В настоящее время для «Салюта» имеются два винта левого вращения. Первый из них - штатный двухлопастной, диаметром 140 мм и шагом 118 мм. Благодаря характерной саблевидной форме лопастей он отличается пониженной склонностью к наматыванию травы. Существует также и более «правильный» с точки зрения гидродинамики трехлопастной винт БАВ-9, разработанный многократным рекордсменом СССР по водно-моторному спорту А.В. Бариновым для «Салют-2,5» (последней серийно выпускавшейся модификации). Его диаметр 158 мм. шаг 90 мм. Оба эти винта пока еще можно купить в Москве в магазине при авиазаводе «Салют».
Мой опыт показал, что оба винта отлично подходят для ПЛМ с триммерными головками. Двухлопастной используется мною как скоростной для легкой лодки с одним человеком на борту. Трехлопастной - грузовой, когда нагрузка два чеповека и более. Также практика показала. что штатный предохранительный штифт «Салюта» диаметром 3 мм не выдерживает мощности, увеличенной до 2,5-3,0 л.с. Необходимо рассверливать вал гребного винта до 4 мм.
Как следует из приведенных фотографий, внешний вид конструкции вполне приличный. В ней, на мой взгляд, есть стройность и легкость, отсутствующая в «гибридах» с четырехтактными моторами от газонокосилок. В сложенном виде она вообще вне конкуренции. Подобные складные туристические подвесные двигатели выпускапись топько в США в 1950-60 годах и сейчас их на рынке не найти.

Заменить силовую установку самодельною ПЛМ можно даже в полевых условиях. Для этою требуются самые обычные инструменты h полчаса времени Испытания собранного мотора проводились на Истре, Оке и на Онежском озере летом 2014 года. Соперником выступала Honda BF2. Моя конструкция была существенно легче (8,9 против 12,4 кг), компактнее и как будто мощнее (3 л.с вместо 2,3 л.с., заявленных по «паспорту»). Однако «японка» разгоняла лодочку с одним человеком (полное водоизмещение примерно 150 кг) до 8-10 км/ч, а более мощная самоделка -всего до 6-8 км/ч. Появилось досадное чувство, что изобретаешь, стараешься, думаешь головой, работаешь руками, а у японцев все равно попучается лучше...
Зародилась мысль, как впоследствии оказалось - ошибочная, что неправильно подобран гребной винт. Действительно, на Honda винт заметно больше: диаметр 184 мм, шаг 120 мм. Были предприняты попытки использовать более «тяжелые» винты от импортных моторов. Таких подходящих, левого вращения с втулкой диаметром 12 мм, нашлось всего два -весьма грубо сделанный ппастиковый от китайского Troll 2.5 (диаметр 190 мм. шаг 102 мм) и от снятого с производства 4-сильного американского Johnson 3R (диаметр 190 мм, шаг 152 мм). Второй показал лучшие результаты, и я стал испопьзовать его в качестве основного. Но это было фубой ошибкой! Примерно через десять часов эксплуатации заклинило сцепление. Вскрытие показано, что его фрикционные накпадки стерты до металла, а подшипники ведомого барабана засорены продуктами износа. Работоспособность мотора быпа восстановлена заменой накладок сцеппения, промывкой подшипников в керосине, а «родной» винт Баринова был возвращен на место.
Причина поломки оказалась в том, что гидродинамически более «тяжелый» винт вызывал постоянную пробуксовку сцеппения, вовремя не замеченную мною по его нагреву. Вывод: при ис-пользовании моторов с автоматическим центробежным сцеппением необходимо следить за его температурой и путем правильно подбора винта не допускать перегрузки. «Недобор» же скорости объясняйся просто - между заявленной и реальной мощностями китайской головки были большие расхождения, которые и внесли путаницу.
Тогда же, петом 2014 года, в продаже появился «сверхмощный» бензотриммер Forward FBC-720T с мотоголовкой рабочим объемом 72 см3 и заявленной мощностью 4,7 л.с. На самом деле около 3 л.с., конечно, но и от такого заманчивого предложения было невозможно отказаться! Мотокоса приобреталась в последний день перед отъездом в Карелию. Тут проявипось одно из гпавных преимуществ триммерных моторов: замена силовой установки в полевых условиях заняла не более попучаса. И все встало на свои места! Скорость лодки с одним человеком на борту составила 10-12 км/ч, а с двумя - 8-10 км/ч. Honda BF2 была наконец-то побеждена и вскоре продана, так как технического интереса для меня более не представпяла.
ОТ ВИНТА!
Закрыв сезон, долгими осенними вечерами я начал разбираться с проблемой подбора оптимальных гребных винтов. Для этого пришлось даже научиться строить диаграммы, на которые наносятся внешняя и винтовая (дроссельная) характеристики мотора.
Внешняя скоростная характеристика представляет собой зависимость мощности полностью нагруженного мотора с открытой дроссельной заслонкой от частоты вращения. Это свойство собственно двигателя, такую характеристику можно взять из его технических данных. Правда, китайские производители их не пубпикуют, считая, наверное, что потребителям такая информация ни к чему. Зато всегда можно найти данные их японских прототипов.
Винтовая характеристика представляет собой зависимость мощности, необходимой для вращения гребного винта, от частоты вращения двигателя (не винта!). Она соответствует мощности ДВС с прикрытой дроссельной заслонкой для получения соответствующей частоты вращения. Эта характеристика - свойство гребного винта и, как учит теория, она представляет собой кубическую параболу.
Точка пересечения внешней и винтовой характеристик соответствует максимапьной мощности двигателя с данным винтом. В оптимальном случае она находится в вершине внешней характеристики. Тогда гребной винт позволяет полностью использовать мощность двигателя. Если же винтовая характеристика пересекает внешнюю до достижения максимальной мощности, то винт считается гидродинамически «тяжелым». и мотор не разовьет оборотов, соответствующих этой мощности. Еще хуже, когда винт оказывается слишком «легким»: частота вращения двигателя превышает обороты максимальной мощности, что опасно для мотора, ведя к резкому сокращению его ресурса.
Отсюда следует простой способ построения винтовых характеристик. Пред-попожим. что создатель мотора подобрал к нему винт правильно, и характеристики пересекаются примерно в точке максимальной мощности. Например, для «Салюта» это 1,8 л.с. при 5000 об/мин. Этой точки достаточно дпя построения кубической парабопы, соответствующей приближенной винтовой характеристике штатного винта. Именно так и построены диаграммы внешних и винтовых характеристик моих «гибридных» лодочных моторов на основе трансмиссии от «Салюта» с триммерными головками.
Из них видно, что «салютовские» винты вполне соответствуют внешним характеристикам двухтактных триммерных моторов. Реальная мощность двигателя при этом соответствует 1,5-2 л.с. при рабочем объеме 43 - 52 см3 и 2,5 - 3 л.с. при 63 - 72 см3. Использование более «тяжелых» винтов, характеристика которых пройдет левее, ни к чему хорошему не приведет - топько к пробуксовке сцепления.
ДВА ИЛИ ЧЕТЫРЕ?
На диаграмме также показаны внешние скоростные характеристики четырехтактных триммерных моторов. Это новый и пока еще не очень многочисленный класс двигателей. Они выгодно отличаются от «двухтактников» значительно меньшим, примерно в полтора раза, удельным расходом топлива, меньшей шумностью и более чистым выхлопом. При этом они, к сожалению, имеют меньшую мощность, развивают меньшие обороты и заметно дороже. Смазка их осуществляется разбрызгиванием моторного масла, заливаемого в картер. Только небольшая часть четырехтактных триммерных ДВС имеет систему смазки, допускающую их работу в любом положении - это так называемый класс «360°». К ним относятся японские Honda серии М4 - модели GX25 (25 см3, 1 л.с., 7000 об/мин) и GX35 (35 см3, 1,35 л.с., 7000 об/мин), а также китайские Zongshen S35 (31 см3. 0,9 п.с., 6000 об/мин) и S40 (35 см3, 1,2 п.с., 6500 об/мин). Все они комплектуются одинаковым по конструкции центробежным сцеплением (GX25 - диаметром 54 мм, остальные - 78 мм). Жаль, но более мощные триммерные «четырех-тактники» еще не выпускаются.

В качестве эксперимента мною была предпринята попытка установить на ту же складную «ногу» от «Спутника» четырехтактную головку Zongshen S35. Для этого требуется только правильный подбор гребного винта. Теоретически, при постоянном по радиусу сечении лопастей, мощность, затрачиваемая на вращение винта, пропорциональна четвертой степени его диаметра. Соответственно, при снижении мощности в три раза, (с 3 л.с. до 1 л.с.), диаметр винта должен быть уменьшен примерно в 1,3 раза, то есть со 158 мм до 120 мм Что и было сделано на токарном станке в конце прошлого сезона Ходовые испытания пока провести не удалось, но их результаты довольно предсказуемы. В водоизмещающем режиме скорость судна примерно пропорциональна кубу мощности силовой установки. Таким образом, при снижении мощности в три раза она должна уменьшиться в 1.44 раза, то есть с 8-10 до 5-7 км/ч.
Зато значительно снизится шумность, и можно будет отказаться от наушников. Кстати, на стенде этот моторчик уже был испытан, в том числе и при работе «вниз головой».
Интересно, что уже на следующий год после первых испытаний моей самоделки в продаже появилось довольно большое количество моделей китайских недорогих лодочных моторов похожей конструкции. Поистине, хорошие идеи носятся в воздухе! Конечно, у них нет складной «ноги», такое могли позволить себе только «сверхдержавы». И, отставив шутки в сторону, у них есть один серьезный общий недостаток. Все они используют самый маленький из массово выпускающихся ныне винтов -от двухсильной Yamaha с диаметром 178 мм и шагом 102 мм. Однако для высокооборотных триммерных двигателей даже он слишком «тяжел»! Поэтому почти все пользователи жалуются на перегрев и быстрый износ сцепления. Для нормальной работы такого мотора полезно уменьшить «ямаховский» винт по диаметру до 150 - 160 мм (точный размер подбирается индивидуально, так как зависит не только от мотоголовки, но и от особенностей лодки).
Для наглядности все характеристики рассмотренных моторов, в том числе исходного «Салюта», а также некоторых из имеющихся на рынке, сведены в таблицу. Мощность двигателей указана близкая к реальной, взятая из их внешней скоростной характеристики, а не из сопроводительных бумаг. Для «китайцев» это важно.

В заключение же можно сказать, что если у вас есть старый «Салют» с неисправным или изношенным двигателем - не спешите тащить его на свалку! Путем несложной доработки вы сможете получить более мощный и при этом очень легкий ПЛМ с современной мото-головкой. Особенно это касается версий «Спутник» и «Сапют-ЭС» со складными «ногами». Сдавать их в металлолом просто глупо!
Аналогичные моторчики китайского производства - это тоже неплохое приобретение за свои деньги, хотя они и требуют доводки гребных винтов. Их общие недостатки: высокая шумность и отсутствие передачи вращения на винт на малых оборотах. Они легко запускаются в любом положении, даже без воды, и с успехом могут использоваться в качестве запасной «докатки» на лодке средних габаритов, но практически непригодны для троллинга. Впрочем, в качестве мотора для рыболова-любителя не имеет себе равных другой класс «гибридов» - самоделок, построенных на основе четырехтактных малооборотных двигателей с вертикальными валами, так называемых «газонокосилочных». О них я расскажу подробно во второй части этого материала.
Григорий ДЬЯКОНОВ