Поворотный консольный кран для гаража
Полезные приспособления /11-янв,2017,01;12 /
13314

Часто мужчины проводят свободное время в гаражах и домашних мастерских, увлеченно занимаясь техническим творчеством. Иные, освоив самостоятельно рабочие специальности до профессионализма. своим хобби подрабатывают денежки для семьи. Но и техническое творчество порой невозможно без тяжелого физического труда, бывает даже непосильного. Как сказал один самоделыцик: «техническое творчєство - это дело для души в поте лица своего».
В делах, связанных с перетаскиванием тяжелого ручного оборудования по мастерской пригодится телескопическая консоль. При сварочных работах на грузовом крючке консоли можно закрепить сварочный аппарат. При авторихтовочных -тяжелую шлифовальную машину. При изготовлении столярки - может быть подвешен профессиональный фрезер по дереву или та же шлифмашина.
Телескопичность консоли позволит настроить ее на нужную длину и сильно облегчит трудозатраты. Главная идея конструкции состоит в использовании прямоугольных труб разного сечения, вставляемых друг в дружку и к которым крепятся опорные ролики и винтовые зажимы.

На чертеже прорисованы две основных конструкции консолей - с укосинои и на тросовой оттяжке. Также укосину можно расположить сверху, если позволит высота гаража.
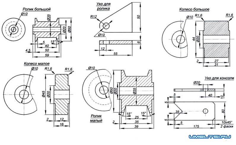
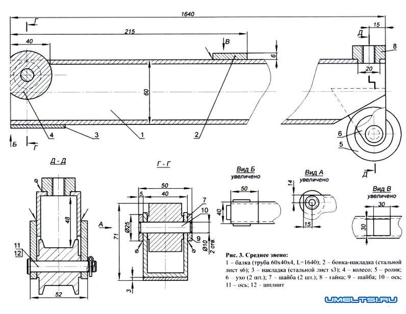
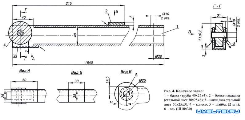
Комплект для гаража состоит из трех сборочных единиц - первое колено - консоль из трубы сечением 80x60 мм, второе (среднее) звено - из трубы сечением 60x40 мм и третье (конечное) звено - из трубы сечением 40x25 мм.
Опорные ролики расположены снаружи на концах всех звеньев, а опорные колеса - во внутренних концах труб. Над опорными роликами сверху каждой трубы установлены винтовые зажимы для фиксации вылета стрелы телескопа. Также есть приваренные ограничители максимального вылета: крючок, шарниры крепления консоли к стене.
Минимальная высота от уровня пола - 1900 - 2000 мм. Максимальная длина - 4500 мм.
Для устранения неконтролируемого поворота укосины с инструментом можно заменить оси болтами с гайками М20, затяжкой которых создается «непреодолимое» трение сопротивления в шарнирах.
Работа в гараже или мастерской, оборудованной укосиной, представляется так: инструмент висит на крючке рядом с мастером. Мастер, используя подвешенное оборудование, по мере необходимости удлиняет или укорачивает вылет стрелы.
Есть еще один вариант использования подобного «телескопа» (только облегченного) на огороде - для удержания поливочного шланга над грядками и легкости передвижения по плантациям с разбрызгивателем.
А. МАТВЕЙЧУК, г. Заводоуковск, Тюменская обл.