Снегоуборщик из бензопилы своими руками
Полезные приспособления /31-мар,2015,20;29 /
29060

В этом году у нас в Алтайском крае снега уже с осени, практически за пару недель, выпало довольно много. Видимо зима будет снежная, так что кидать его не перекидать. Хорошо, что в прошлом году собрал небольшой, но надёжный снегоуборщик с двигателем от старой бензопилы. Весной успел его только испытать: зарекомендовал он себя, в общем-то, неплохо, хотя и не без недостатков. Исходя из опыта использования, летом внёс в него некоторые изменения и теперь представляю его читателям вашим читателям.
Силовой агрегат - от старой бензопилы «Урал-2Т». Этот мотор был использован потому, что он лёгкий и достаточно мощный (5 л.с.), к тому же имеет понижающий редуктор 1:2 и инерционную муфту сцепления. Эта муфта срабатывает всегда, когда в ротор попадает какой-нибудь посторонний предмет, и она отключает трансмиссию без поломок. А так же мотор можно без труда снять и применить по прямому назначению (или на газонокосилке, косе, культиваторе и т.д., скажем летом, когда снегоуборщик никак не используется). Крепления силового агрегата на раме позволяют использовать двигатель и от бензопилы «Дружба», только мощность этого мотора немного поменьше, что нежелательно. Эти двигатели недорого можно приобрести и сегодня.
Ещё я старался использовать минимум точёных деталей, недефицитные материалы и запчасти. В результате снегоуборщик получился весьма недорогой и несложный в изготовлении.
Мотор решено было расположить по продольной оси потому, что смещение центра тяжести влево или право приводило бы к перекосу захватывающего ковша в горизонтальной ппоскости. И тогда, спева или справа оставался бы недочищенный след из-под ковша. И ещё такое размещение исключает подруливания 8 ту или иную сторону. Хотя данное размещение и привело к использованию дополнительных деталей трансмиссии, но снегоуборщик в таком виде выглядит более органично. Что само по себе тоже немаловажно!
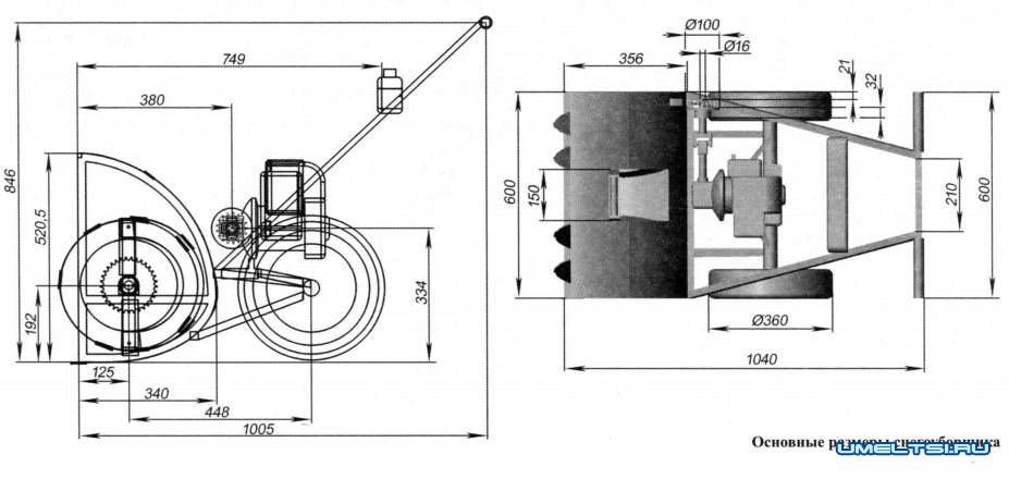
Бензобак использован штатный, от бензопилы «Урал-2Т» объёмом 1.6 л, и прикреплён двумя болтами к рулевой опоре, на которой для этого имеются две крепёжные проушины. Ручка газа (управления дроссельной заслонкой) использована от мотоцикла «Урал».
Рамы у снегоуборщика фактически нет, или её можно назвать совмещённой - пара рычагов с рулевой поперечиной, приваренных к каркасу ковша.
Практически вся рама сварена из труб квадратного сечения 20*20*1,7 мм, за исключением верхней части ковша. Там использована труба квадратного сечения размером 10*10*1,7 мм. Ковш «обтянут» оцинкованной жестью толщиной 0,5 мм, лист которой приклёпан к раме алюминиевыми заклёпками диаметром 5 мм. В конструкции рамы использована металлическая пластина 600*40*4 мм, она подварена в нижней части ковша. А к ней в свою очередь приклёпана полиэтиленовая полоса размером размером 600*60*5 мм. Сделано это для лучшего скольжения ковша по очищаемой поверхности (в основном по тротуарной плитке).

Ротор-шнек с полосами-крыльями без лопастей

Ротор-шнек в сборе:
1- вал (труба 1/2"); 2 - ведомая звёздочка вала ротора-шнека (z=33); 3 - опорный подшипник в корпусе (2 шт.); 4 - крыло ротора (металлическая пластина 30x4); 5 - лопасть ротора (2 шт.); 6 - лопасть шнека (8 шт.); 7 - крыло лопасти шнека (4 шт.); 8 опорный уголок (2 шт.)
Рабочий орган состоит из вала, на котором размещены два встречно направленных шнека и ротор. Вал изготовлен из водопроводной трубы диаметром 22*2 мм и длиной 568 мм. В концы трубы вставлены и приварены стальные наконечники - цапфы под опорные подшипники. Шнек-ротор установлен на двух опорных подшипниках в корпусах. Подшипники размерами 40*16*16 мм - закрытого типа, шариковые. Корпуса цилиндрические, выточены из стали и приварены каждый к своему отрезку металлического уголка 25*25*4 мм, которые прикручиваются к раме ковша двумя болтами М8*40 мм с гайками.
На валу шнека и ротора установлена так же и ведомая звездочка, она крепится четырьмя болтами М6*30 мм с гайками к фланцу, приваренному к валу. Эта звёздочка имеет 33 зуба под цепную передачу с шагом 12,7. Цепь использована от мотоцикла «Муравей». Обращаю внимание на то, что цепная передача установлена внутри корпуса ковша с целью: во-первых, спрятать движущуюся цепь со звёздочкой, а во-вторых, при тех габаритах снегоуборщика, ковш будет иметь большую ширину захвата снега, в-третьих, меньше мёртвых зон у ковша (мест, из которых невозможен захват снега, или ограничивающий его). К валу приварены двенадцать стальных полос-крыльев для крепления лопастей шнека и ротора.
Лопасти шнека изготовлены из дюралюминиевого листа толщиной 4 мм. Они составные. Каждая часть (в форме подковы - для экономии материала) вырезается электролобзиком. Такая конструкция лопастей упрощает их креппение, а так же замену в случае поломки. На лопастях вырезаны зубья для прорезания плотного снега. «Подковы» закреплены на крыльях шнека болтами с резьбой Мб и гайками. Выступающие части закрученных болтов обрезаны и подклёпаны, для того чтобы ничего не цепляли, и не раскручивались. Дюралюминиевый лист использован специально, для того чтобы облегчить вращающуюся конструкцию ротора-шнека. Эксплуатация показала - дюралюминиевый 4-мм лист обеспечивает достаточную прочность.

Шасси снегоуборщика (рама с двигателем и колёсами):
1 - бензобак; 2 - двигатель; 3 - колесо; 4 - карданный вал; 5 - подшипниковый узел; 6 - ведущая звёздочка (z-17)
Лопасти ротора (их две штуки) изготовлены из листовой нержавеющей стали толщиной 2 мм. Я использовал её не специально, а потому, что под рукой не было простого стального листа нужной толщины, а дюралюминиевый лист закончился. Лопасти ротора прикручиваются, по возможности, на одинаковое расстояние от вала, чтобы исключить биение при вращении. Необходимо вручную отбалансировать ротор, установив его на подшипники. Но если крылья и лопасти ротора-шнека будут установлены одинаковых размеров и идентично, то балансировать ничего не придётся. Но проверить все-таки нужно.
Приводную цепь есть возможность подтягивать или ослаблять, устанавливая ближе или дальше от ведущей звездочки вал шнека-ротора на раме.
На место ведущей звёздочки редуктора двигателя бензопилы установлена карданная передача. Она соединяет редуктор с ведущей 17-зубой звёздочкой цепной передачи (с шагом 12,7 мм). Ведущая звёздочка установлена на конце второго колена карданного вала. Сам карданный вал опирается на два закрытых шариковых подшипника размерами 40*16*17 мм, установленных в корпусах. Корпуса выточены из стали, и подварены к уголкам размерами 40*40*4 мм и длиной 120 мм, которые прикреплены к раме с помощью двух болтов с резьбой М 10*40 мм с гайками.
Колёса размерами 3,25*8 дюймов со встроенными в диск-ступицу подшипниками, использованы от китайских тачек. Колёса устанавлены на трубчатую ось, изготовленную из водопроводной трубы диаметром 26 мм и длиной 550 мм. По концам трубы приварены две цапфы наружным диаметром 20 мм, на которые непосредственно и устанавливаются колёса и закрепляются на них двумя болтами М10х30 мм. Данные колёса я поставил уже в эту зиму (сначала стояли меньшего диаметра). Эти колёса более удобны в работе, так как имеют большие диаметр и ширину и не так сильно проваливаются в снегу. Однако качество резины оставляет желать лучшего.
Привод на колёса делать пока не стали, и думаю, что правильно. Так как снегоуборщик лёгкий и сцепление с грунтом будет небольшое.
При работе, если попадается плотный участок со слежавшимся снегом, нужно большое тяговое усилие. Но его не создашь даже с хорошей резиной, а ставить стальные грунтозацепы нельзя - испортишь тротуарную плитку. Но выход есть: при возросшем сопротивлении движению нужно упереться одной ногой в ось колёс и проталкивать снегоуборщик. Таким способом я расчищаю без проблем и метровый высоты (глубины) сугроб.

На ковше сначала стоял так же рукав, направляющий снег в сторону, но от него я отказался, так как мокрый и липкий снег в нём забивался. И ещё рукав способствовал созданию сугробов, а это вело к задержанию снега. А при работе от снега, летящего в лицо, рукав никак не спасал. Мелкую снежную пыль ветром гонит в соответствующем направлении. Без рукава снег из ротора, вращающегося на больших оборотах, выбрасывается высоко вверх и вперёд и распыпяется. Так как воздух постоянно движется, даже когда кажется, что ветра нет, снежная пыль аккуратно ложится рядом. А если дует ветер, то его вообще уносит далеко. На небольших, холостых оборотах двигателя снег так не распыляется и он более плотный, вылетает и ложится впереди. Это нужно для работы в каком-либо «коридоре».
В общем, снегоуборщик получился небольших габаритов; лёгкий -его масса составила всего 35 кг; экономичный - расходует немного топлива - одного литра бензина хватает для расчистки довольно большой территории, а главное довольно производительный и удобный в работе.
Итого, расход основных материалов:
Труба квадратного сечения 20x20*1 мм - 7,8 м. Труба квадратного сечения 10*10x1,5 мм - 0,6 м. Труба диаметром 22x1,7 мм - 0,6 м; труба диаметром 26x1,7 мм -0,55 м. Стальная попоса сечением 40x4 мм - 1,2 м; сечением 30x4 мм - 1,8м. Пол- листа стандартных размеров оцинкованной жести. Бензомотор, два колеса и ещё кое-что по мепочи.
И из выявленных недостатков: это ручной переносной стартер, который неудобно постоянно носить с собой.
Так же посмотрите на нашем сайте, что можно сделать из бензопилы.
Д. Слонов, Алтайский край