Секреты сварки
Секреты умельцев /08-сен,2009,21;52 /
148179

Есть такое непростое ремесло — умение владеть ручной электросваркой. Оно необходимо не только профессионалам на производстве, но и тем, кто любит мастерить своими руками в быту — как в гараже, так и на даче. Однако владеют им по-настоящему немногие. Как автор самоучителя «Электросварка глазами практика» берусь утверждать, что при наличии сварочного аппарата и условий для непосредственных практических занятий по самоучителю можно успешно овладеть первыми навыками в этой специальности», — написал нам из города Шлиссельбурга Ленинградской области Сергей Александрович Архипов.
Высококвалифицированный рабочий-сварщик, он много лет проработал в таких ответственнейших отраслях, как судостроение и судоремонт. Богатый опыт практика и лег в основу его необычного самоучителя, в котором автор доходчиво раскрывает секреты сварочных работ и приводит конкретные рекомендации, которые помогут обрести необходимые навыки электросварки не только желающим овладеть этой специальностью, но и большой армии Энтузиастов технического творчества, авто-мотолюбителей, садоводов и фермеров, самодеятельных конструкторов, домашних мастеров.
Книга С.А.Архипова издана в Санкт-Петербурге небольшим, к сожалению, тиражом. Поэтому даем возможность заинтересованным читателям нашего журнала ознакомиться с некоторыми практическими ее разделами.
Старая шутка гласит: чтобы приготовить шашлык из барашка, нужно иметь хотя бы кролика. Так и в деле электродугового соединения металлов: чтобы сделать первые шаги к секретам этой технологии, потребуются трансформатор, электроды и то, без чего даже при их наличии не сможет работать ни один сварщик — щиток со светофильтром и электрододержатель. Обрести большинство из этих необходимых вещей сейчас — не проблема: промышленность и торговля предлагают большой выбор. Но и для их совершенствования, как показывает практика, поле для творчества широкое. Возможно даже изготовление более удобных, самодельных. И не только после овладения техникой и знаниями в этой области, но и на подступах к ней, например, конструкция электрододержателя (о ней мы расскажем ниже).
Но прежде чем приобретать оборудование, необходимо усвоить практические сведения о его особенностях и взаимосвязи с теми работами, которые вам предстоят. И здесь мало иметь представление, что электродуговая сварка штучными электродами — это соединение металлических деталей поступательным нагревом места их стыка до жидкого состояния за счет тепловой энергии электрического дугового разряда между противоположными электрическими полями: свариваемой конструкцией (массой) и электродом. Ведь сварочная дуга может иметь разные источники питания. Например, сварочные трансформаторы переменного тока или сварочные выпрямители и генераторы постоянного тока. В чем здесь разница? А она есть даже внутри одной из этих разновидностей. Например, при использовании источника питания электродуги постоянного тока различают два вида подключения: прямой полярности и обратной. В первом случае сварочный провод — «земля», который подсоединяется к «массе» — свариваемой конструкции, закрепляется на сварочном выпрямителе к клемме «плюс», а провод от электрододержателя — к клемме «минус». Такое подключение и ток прямой полярности целесообразны для резки металла и сварки толстостенных деталей, требующих большого количества тепла для их прогрева. Поменяв подключение проводов на выпрямителе, получим ток обратной полярности, применяемый при сварке тонкостенных деталей. Хитрость здесь в том, что на отрицательном полюсе (катоде) температура более низкая, чем на положительном (аноде), за счет чего электрод расплавляется быстрее, а нагрев детали относительно уменьшается — снижается и опасность ее прожога.
А при работе на сварочных трансформаторах переменного тока нет ни прямой, ни обратной полярности сварочного тока из-за периодической смены в сварочной цепи положительного и отрицательного полюсов; здесь другие особенности работы.
Несколько практических рекомендаций, чтобы первые шаги по освоению электросварки проходили более успешно.
Самые приемлемые электроды для начинающих — это электроды переменного тока диаметром 3—4 мм. Для первых пробных сварочных швов лучше использовать металлические пластины толщиной 4—6 мм. А из сварочных щитков рекомендую как наиболее удобный в работе наго-ловный щиток. Его преимущество перед ручным в том, что свободная рука может придерживать свариваемую деталь. Для зачистки сварочных швов от шлака полезно иметь также тяжелое зубило с рычагом-рукояткой. Наконец, одна из самых важных деталей успешной работы — электрододержатель. На нем необходимо остановиться особо.
Дело в том, что существует много разновидностей конструкции электрододержателей как профессиональных, так и самодельных. И это не случайно, потому что к этому нехитрому инструменту предъявляется немало требований, начиная от безопасности и кончая удобством в работе.
Хочу предложить читателям свой вариант держателя, предельно простого по конструкции и надежного, испытанного на практике и хорошо себя зарекомендовавшего. Его отличают такие проверенные в работе качества, как компактность и легкость, удобство в манипулировании рукой при сварке, прочность закрепления электрода в держателе, возможность простой и оперативной замены отработанного огарка на новый электрод.
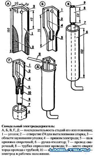
Для того чтобы изготовить такой электродержатель, достаточно подобрать из имеющихся под рукой материалов подходящие и выполнить ряд несложных операций (см. рис). Потребуется металлический уголок I с полками размерами 20x20 мм и длиной 100 мм. Отступив от одного из концов 10 мм, сверлим отверстие 2 диаметром 4,1 мм. Оно необходимо для того, чтобы можно было удобно и быстро менять электрод: вставив в это отверстие оголенный конец нового, вытолкнем из держателя электрод-огарок.
Отступив от того же конца 40 мм, произвольно заузим оставшуюся часть уголка 3, как показано на рисунке. Далее из отрезка арматурного стержня диаметром 6 мм и длиной 80 мм (или пружинной проволоки того же диаметра) изготовим прижим 4 коленчатой формы. Выставив эту пружину на уровне среза уголка, приварим ее хвостовик по центру уголка (сварочный шов 5 — с обеих сторон хвостовика). Ручкой держателя и одновременно его изолятором 6 послужит отрезок дюритового или толстостенного резинового шланга с небольшим внутренним диаметром и длиной 150 мм. Пропустив через него сварочный провод 7 и зачистив его конец, запрессуем, сплющив тонкостенную стальную трубу 8 подходящего (небольшого) диаметра и длиной 50 мм. Выступающий из нее конец провода 9 для лучшего контакта приварим к трубке, а последнюю наложим на зауженную часть уголка держателя и также приварим П-образным швом 10. Остается надвинуть изолятор на уголок, и электрододержатель готов.
Как показала практика, такой электрододержатель удобен и даже незаменим при сварке в стесненных условиях. Напомним, что при работе с ним, как и со всеми подобными устройствами открытого типа, необходимо соблюдать меры предосторожности и не допускать коротких замыканий, то есть долговременных соприкосновений его с «массой».