Дачный мангал своими руками
Приусадебное хозяйство /29-мая,2010,12;42 /
103248

Основная, или главная часть мангала — жаровня. Она имеет форму продолговатого ящика, днище и стенки которого приварены друг к другу сплошным швом.
Длина ящика зависит от того, какое максимальное количество шампуров вы намереваетесь одновременно размещать на жаровне, но надо помнить, что от ее длины очень зависит расход дров. Ширина жаровни выбирается по длине рабочей части шампуров. А вот высота стенок (или, если хотите, — глубина жаровни) назначается вообще-то исключительно эмпирически (исходя из опыта). У моей жаровни высота стенок составляет 200 мм. Однако она выбрана с учетом того, что днище у жаровни выложено печным кирпичом, образующим под. Кирпичи уложены на днище плашмя без раствора, впритык один к другому.
Забегая вперед, отмечу, что кирпичный под разжиганию дров не мешает, при топке вби-paeY в себя тепловую энергию горящих дров, а при приготовлении шашлыка отдаёт ее обратно, поддерживая жар углей. В итоге, более равномерно прожаривается полуфабрикат (как по поверхности, так и по глубине), убыстряется его приготовление. К тому же экономятся дрова и не перегреваются дно и низ стенок. При выездах компанией на пикники с мангалом кирпичи не беду, а на днище мангала засыпаю сухой песок — результат тоже есть, хотя и не такой эффективный.
В длинных стенках мангала просверлены по пять отверстий диаметром 15 мм на расстоянии 80 мм от днища (по центрам). Если сравнивать мангал с печкой, то отверстия выполняют функции поддувала — способствуют горению дров.
Снизу к днищу ящика-жаровни приварены по углам четыре ножки, выполненные из одинаковых отрезков старой водопроводной трубы 3\4. К нижним торцам отрезков труб приварены круглые заглушки-подпятники из стального 4-мм листа. Примерно на 1\4 высоты от низа ножки попарно (по длинной стороне) скреплены связями из полудюймовой водопроводной трубы. Связи же соединены между собой двумя поперечинами из такой же трубы. А между ними (связями и поперечинами) натянута проволочная сетка. Вот на нее и укладываю для просушки запасную охапку дров.
У кого-то может возникнуть необходимость сделать ножки отъемными. В этом случае к дну по углам можно приварить резьбовые водопроводные муфты, а на верхних концах ножек нарезать соответствующую резьбу. Но тогда сложнее будет связать ножки между собой, чтобы обеспечить устойчивость конструкции.
Другой вариант — сделать съемной жаровню. Для этого надо сварить по верху ножек обвязку-ложемент из отрезков подходящих уголков по размерам днища, чтобы на него можно было устанавливать жаровню, а остальную конструкцию ножек оставить как в основном варианте.
С боков к днищу и стенкам приварены ручки, изготовленные из прутка нержавеющей стали диаметром 10 мм. Ручки выгнуты так, что их концы выполнены в форме крючков, на которые хорошо подвешивать разные мангальные причиндалы-принадлежности, о которых речь пойдет ниже. Отмечу, что ручки из нержавейки придают в общем-то утилитарному мангалу какое-то, я бы сказал, изящество.
В завершение зачистил все сварочные швы и покрасил мангал (кромке ручек) кузбасс-лаком.Теперь о причиндалах. Поскольку мангал всегда стоит в саду под открытым небом, для жаровни изготовил крышку. Ее выполнил из стального оцинкованного листа толщиной 0,9 мм. Крышка немного длиннее мангала, чтобы дождевая вода не попадала в жаровню. Длинные кромки крышки загнул так, что они немного пружинят и плотно прижимаются к передней и задней стенкам — крышку не сдувает даже сильным ветром.
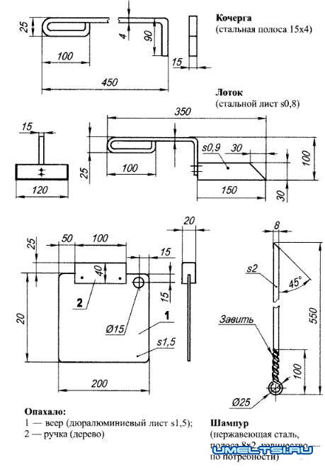
Ментальная кочерга по форме такая же, как и печная. Выполнена она из стальной полосы сечением 15x4 мм. Только в отличие от печной — она широкая, поскольку служит для разгребания и равномерного распределения углей.
Совок тоже напоминает печной. Разница лишь в том, что у мангального ручка приподнята над совком, чтобы не пачкались руки при очистке жаровни. Сам совок изготовлен из такого же оцинкованного стального листа, что и крышка, а ручка —из такой же полосы, что и кочерга.
Опахало — совсем простое изделие, представляющее собой квадратную 200x200 мм пластину из 1,5-мм дюралюминия с приклепанной к ней накладной деревянной ручкой. Для возможности подвески опахала на крючок в его углу просверлено отверстие. Ручку можно сделать и обычной — стоячей, если кому-то так покажется удобнее.
И последняя принадлежность — шампуры. Их я сделал гораздо раньше мангала, когда готовил шашлыки еще на чем придется. Со временем они потеряли былой блеск, и только их рукоятки стали отполированными.
В завершение же тому, кто сделает подобный мангал, желаю приятного аппетита!
А.МАТВЕЙЧУК